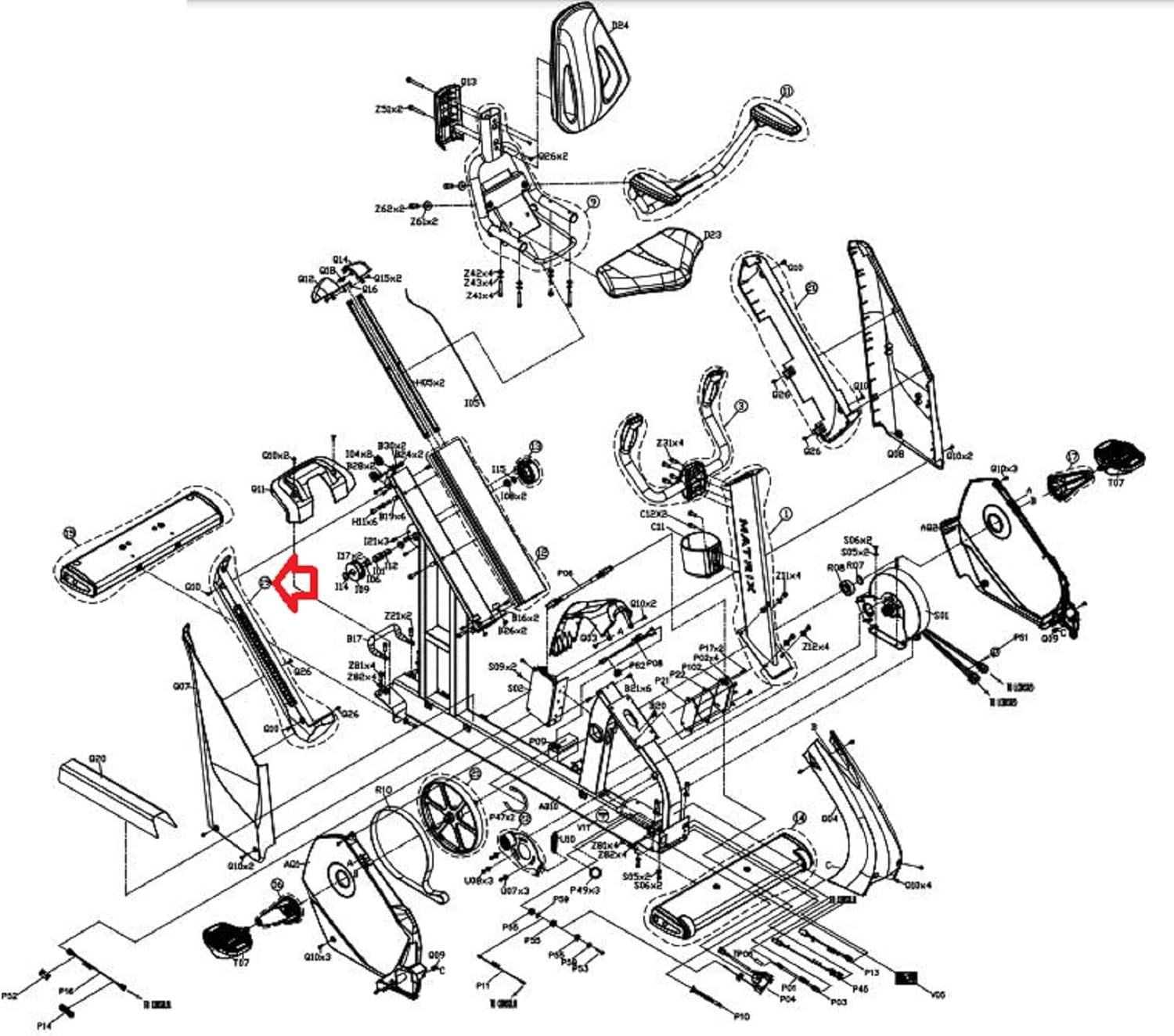
Matrix Stationary Bike Right Guide Rail Shield Set R-3 x /5 x /7x 1000308337
"Have fitness repair parts to Sell?"
Use our wizard and list them for FREE on our exchange
OR
Sell them lot to us using this form

If so, have your model/serial number from your frame ready and click here.
Item Description
Item Part #: 1000308337
Item Condition: New
Used on the following models:
Updated List 2025
Matrix Fitness
R7xi | RB307 | EP614 | 2013
H7xi | CB93 | EP614 | 2014
R5x-05 | RB307-US-F | EP612 | 2014
R3x | RB307 | EP603 | 2014
R7xe-05 | RB307 | EP613 | 2014
H3x | PCB93 | EP603 | 2014
H5x-05 | CB93 | EP612 | 2014
H7xe-05 | PCB93 | EP613 | 2014
H7xi | CB93 | EP614D | EP614F | 2015
H7xi-03 | CB93 | EP621, EP621C | 2016-2019
H3x-06 | CB93 | EP622 | 2016
H5x | CB93 | EP624B, EP624D | 2016
H7xe-05 | CB93 | EP620, EP620C, EP620H | 2016-2019
H3xe | CEP625 | FCB93 | 2016
R3x-05 | RB307 | EP622 | 2016
R3xe | RB307 | EP625 | 2016
R5x | RB307 | EP624B, EP624D | 2016
R7xe-05 | RB307 | EP620, EP620C, EP620H | 2016-2019
R7xi | RB307 | EP614D | EP614F | 2015
R7xi-03 | RB307 | EP621, EP621C | 2016-2019
R5x-05 | RB307B | EP612B | 2014
R5x | RB307M, RB307N | EP624E | 2018
R3xm | RB315 | RB316 | 2018
Performance Series Hybrid Cycle (H-PS-F) | CB96 | 2020
Performance Series Recumbent Cycle (R-PS-F) | RB317 | 2020