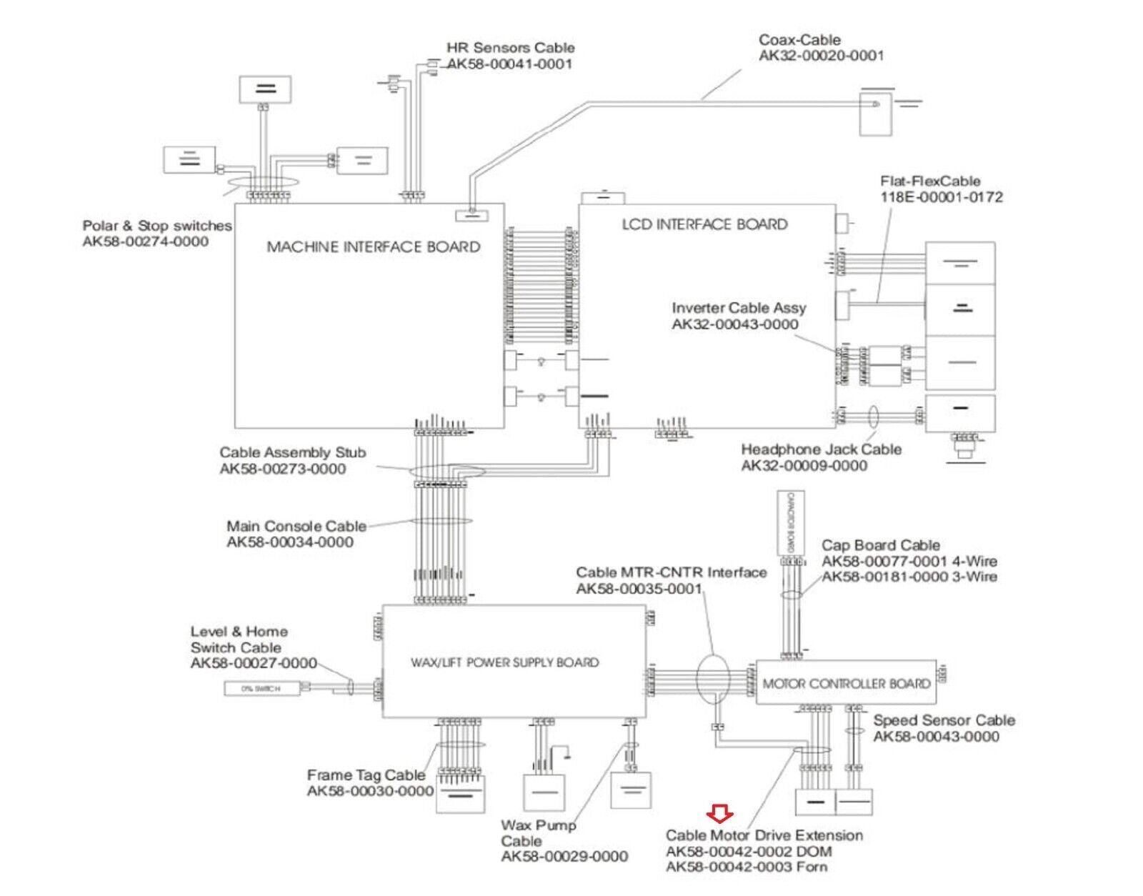
Life Fitness 95Te T9e 95TI Treadmill Drive Motor Wire Harness AK58-00042-0002
"Have fitness repair parts to Sell?"
Use our wizard and list them for FREE on our exchange
OR
Sell them lot to us using this form

If so, have your model/serial number from your frame ready and click here.
Item Description
Condition Used
Used on the following models:
Life Fitness
95TI
97TE-XXXX-02 (ATW) - 97TE-0101-02
97TE-XXXX-02 (ATW) - 97TE-0103-02
97TE-XXXX-02 (ATW) - 97TE-0120-02
95TE-XXXX-01 (TTE) - 95TE-0120-01
95TE-XXXX-01 (TTE) - 95TE-0201-01
95TE-XXXX-01 (TTE) - 95TE-0301-01
95TE-XXXX-01 (TTE) - 95TE-0401-01
95TE-XXXX-01 (TTE) - 95TE-0501-01
95TE-XXXX-01 (TTE) - 95TE-0705-01
95TE-XXXX-01 (TTE) - 95TE-0706-01
95TE-XXXX-02 (ATU) - 95TE-0120-02
95TE-XXXX-02 (ATU) - 95TE-0201-02
95TE-XXXX-02 (ATU) - 95TE-0300-02
95TE-XXXX-02 (ATU) - 95TE-0301-02
95TE-XXXX-02 (ATU) - 95TE-0401-02
95TE-XXXX-02 (ATU) - 95TE-0501-02
95TE-XXXX-02 (ATU) - 95TE-0705-02
97T-XXXX-02 (HTM) - 97T-0100-02
97T-XXXX-02 (TST) - 97T-2102-02
97T-XXXX-02 (TTI) - 97T-0120-02
97T-XXXX-02 (TTO) - 97T-0101-02
97T-XXXX-02 (TTO) - 97T-0102-02
97T-XXXX-02 (TTO) - 97T-0103-02
97T-XXXX-02 (TTO) - 97T-0104-02
97T-XXXX-02 (TTO) - 97T-0105-02
97T-XXXX-02 (TTO) - 97T-0130-02
97T-XXXX-02 (TTO) - 97T-0201-02
97TE-XXXX-01 (TTM) - 97TE-0100-01
97TE-XXXX-01 (TTM) - 97TE-0101-01
97TE-XXXX-01 (TTM) - 97TE-0120-01
97TE-XXXX-02 (ATW) - 97TE-0100-02