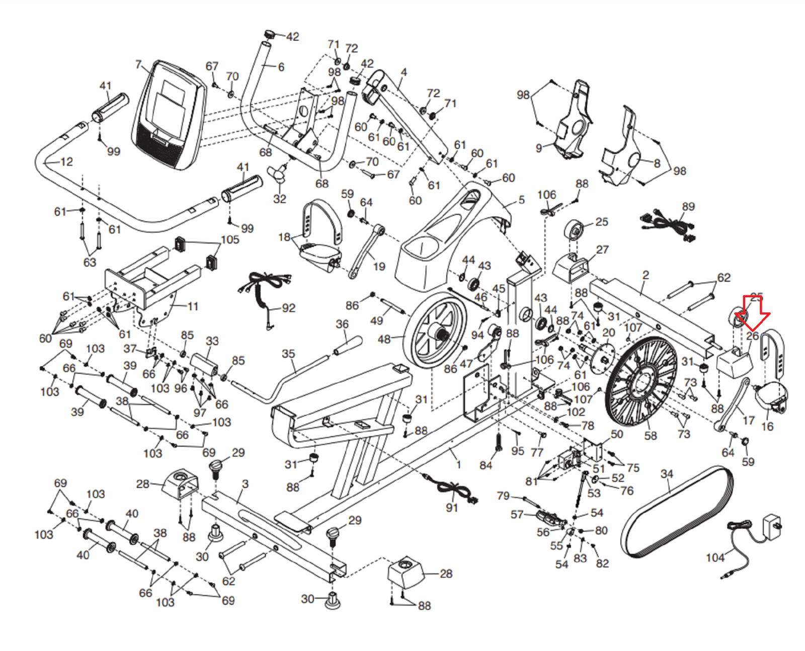
Proform NordicTrack Reebok Stationary Bike Right Foot Stabilizer End Cap 304232
Catalog Number: 1035933
"Have fitness repair parts to Sell?"
Use our wizard and list them for FREE on our exchange
OR
Sell them lot to us using this form
Secure Checkout With

IMPORTANT: Want to see a complete parts list and/or diagram of your fitness equipment?
If so, have your model/serial number from your frame ready and click here.
If so, have your model/serial number from your frame ready and click here.
Item Description
Condition Used
Used on the following models:
NordicTrack®
E4.1 - NTEVEL750120
E4.1 - NTEVEL750121
E4.1 - NTEVEL750122
GX 3.1 - NTEVEX736120
Proform
215 CSX - PFEX729110
315 CSX - PFEX739110
320 CX - PFEX639120
320 CX - PFEX639121
Reebok (Icon)
Trainer RX 2.0 - RBCCEX130100
Trainer RX 2.0 - RBEX130100
Trainer RX 2.0 - RBEX130101
Trainer RX 2.0 - RBEX130102
Trainer RX 3.5 - RBEX139110