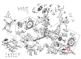
Sole Fitness E20 Elliptical Right Pedal Arm RBB050149-Q2
Catalog Number: 190235
"Have fitness repair parts to Sell?"
Use our wizard and list them for FREE on our exchange
OR
Sell them lot to us using this form
Secure Checkout With

IMPORTANT: Want to see a complete parts list and/or diagram of your fitness equipment?
If so, have your model/serial number from your frame ready and click here.
If so, have your model/serial number from your frame ready and click here.
Item Description
Condition New
Used on the following models:
Sole Fitness
E20 - 2013 Series
E20 - 2014 Series