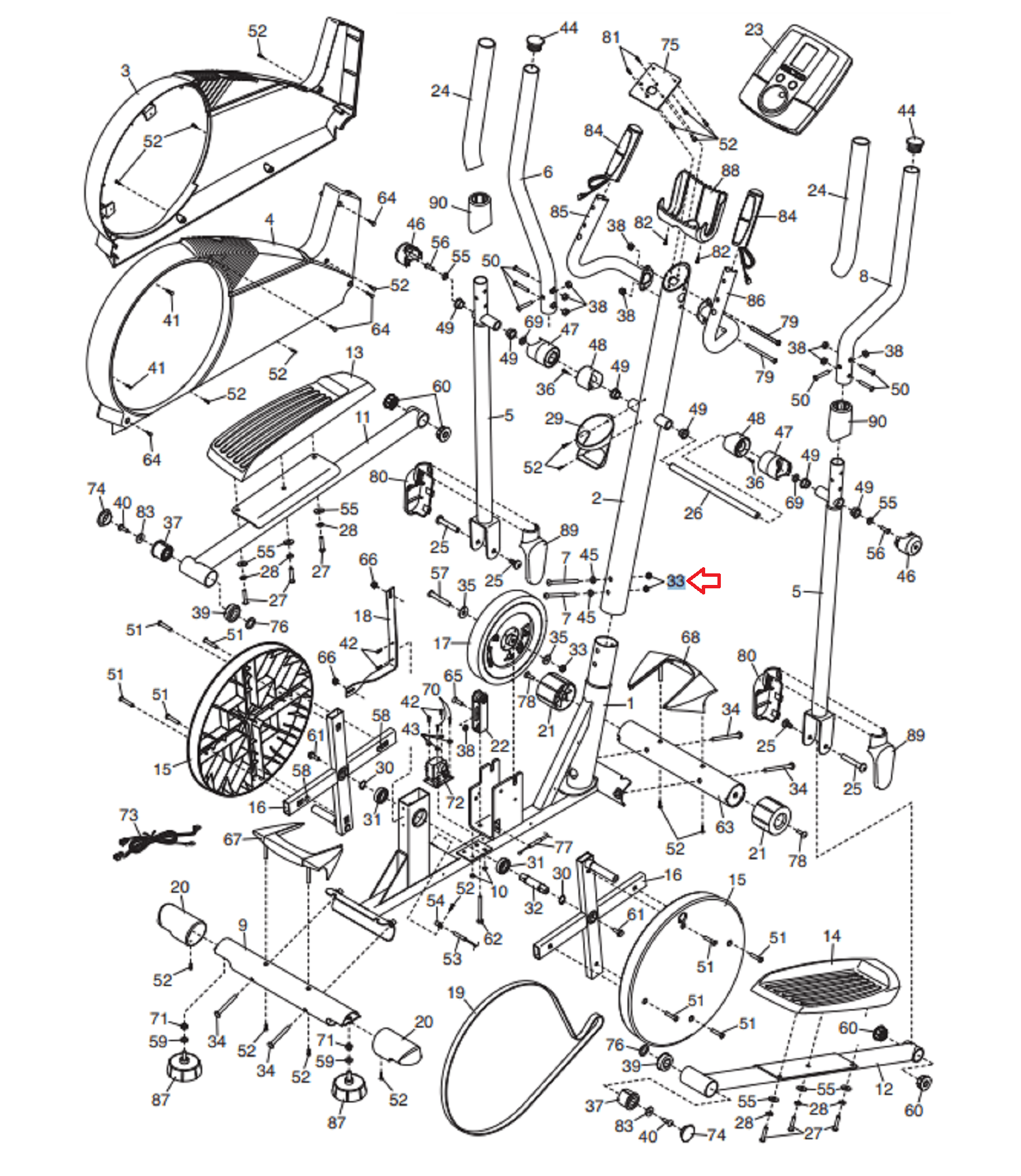
Weslo Weider Reebok Proform Nordictrack Image Icon Hidden Grove Health Rider Gold's Gym Epic Bodyfit Elliptical Nylon Hex Lock Nut M10 148710
"Have fitness repair parts to Sell?"
Use our wizard and list them for FREE on our exchange
OR
Sell them lot to us using this form

If so, have your model/serial number from your frame ready and click here.
Item Description
Item Condition : New
Item Part # : 148710
Used on the following models:
Bodyfit
310 - BDEL29060
310 T - BDEL29061
310 T - BDEL29062
STATIONARY - BDEX19960
EPIC
CTS - EPSY96180
ST 280 - EPBE07180
LX 20 - EPBE15060
V 150 (POWER TOWER) - EPBE22040
790 HR - EPCCEL59870
CTS - EPCCSY96180
EL 1710 - EPEL180110
1000 EX - EPEL42551
EL 2790 - EPEL668090
EL 2790 - EPEL668094
EL 2790 - EPEL668095
EL 2790 - EPEL668096
EL 2980 - EPEL699080
EL 2980 - EPEL699081
E 760 - EPEL79750
E 760 - EPEL79751
A17U - EPEX139122
A17U - EPEX139123
EX 1410 - EPEX144110
420 R - EPEX49050
700 VX - EPSY50150
FreeMotion
510 - SFEL160110
310 R - SFEX138100
510 - SFEL160111
UTILITY - FMBE18120
330 R - SFEX138110
330 R - SFEX138111
510 - SFEL160112
220 BE - FMBE29120
335R - SFEX138120
WITH FREEMOTION TECHNOLOGY - PFSY58060
E10.6 - FMEL844140
515 - SFEL161120
- FMBE39530
335R - SFEX138121
E8.5 - VMEL819140
515 - SFEL161121
EXT SMITH MACHINE - FMBE90970
- SFEX148110
E8.5 - VMEL819141
515 - SFEL161122
555 - FMEVEL889160
PT3 WITH FREEMOTION - NTSY98960
C5.3 - SFEX580120
515 - SFEL161123
S83 POWER - FMSY14230
PT3 WITH FREEMOTION TECHNOLOGY - NTSY98970
510 - SMEL160110
560 - SFEL512120
- FMSY15921
CABLE CROSS XLS - VFMCS30160
560 - SFEL512121
CABLE CROSS - FMSY19120
CARBON ADJ PULY - VMSY805070
560 - SFEL512122
1020 SY - FMSY90120
CARBON LEG DEVELOPER - VMSY806070
560 - SFEL512123
- FMSY99530
CARBON ARM PRESS - VMSY807070
445 - SFEL580140
CARBON DIP%2fPULLUP - VMSY808070
445 - SFEL580141
CARBON LEG PRESS - VMSY809070
445 - SFEL580142
U8.1 - VMEX814140
445 - SFEL580143
U8.1 - VMEX814141
545 - SFEL599120
545 - SFEL599123
545 - SFEL599124
E4.2 - SFEL910090
360 WITH FREEMOTION - NTS58050
E4.2 - SFEL910091
XTE REAR DRIVE - SFCCEL160100
550 E - SFEVEL137130
XTE REAR DRIVE - SFCCEL160101
550 E - SFEVEL137132
XTE REAR DRIVE - SFCCEL160102
350 U - SFEVEX807131
360 WITH FREEMOTION - 831.155050
500 - SFCCEL160110
450 R - SFEVEX907130
310 R - SFCCEX138100
250U - SFEX040124
FREEMOTION E5.3 - SFCW817070
360 WITH FREEMOTION TECHNOLOGY - 831.308060
350R - SFEX050110
XTE REAR DRIVE - SFEL160090
350R - SFEX050111
XTE REAR DRIVE - SFEL160091
350R - SFEX050112
XTE REAR DRIVE - SFEL160093
REFLEX T8.7 - VMTL298140
350R - SFEX050113
XTE REAR DRIVE - SFEL160095
REFLEX T8.7 - VMTL298141
370R - SFEX050140
500 - SFEL160100
370R - SFEX050141
500 - SFEL160101
XTC COMMERCIAL - SFEX138090
Freespirit
GL35 - 831.300271
SPIRIT 920S EKG - 831.306811
SPIRIT 110 - 831.305090
SPIRIT 110 - 831.305091
8.25 - 831.306200
SPIRIT 900 CARDIO CROSSTRAINER - 831.306830
SPIRIT 900 CARDIO CROSSTRAINER - 831.306831
420 ELLIPTICAL - 831.307090
420 BLADE - 831.307091
SPIRIT - 831.300270
SPIRIT CROSSTRAINER - 831.300280
160 CROSSTRAINER - 831.307140
SPIRIT CARDIO CROSS TRAINER - 831.300290
CARD CROSSTRAINER 800 - 831.300291
800 CARDIO CROSSTRAINER - 831.300292
9.5 - 831.307820
GOLD'S GYM
GYM *CANADA*GOLDSGYM XRS30(ALN) - GGSY20610C0
GYM GOLD--S GYM XR 5.9 - GGBE48697
GYM GG STRIDE TRAINER 410 - GGEL639103
GYM XRS 20 - GGBE14861
GYM GOLD--S GYM TRAINER 430I - GGTL396153
GYM ADJUSTABLE STRIDETRAINER 200 - GGEL627070
GYM XR 45 - GGSY20670
GYM GOLD--S GYM XR 5.9 - GGBE48698
GYM GG STRIDE TRAINER 410 - GGEL639109
GYM XRS 20 - GGBE14862
GYM GOLD--S GYM TRAINER 430I - GGTL396154
GYM ADJUSTABLE STRIDETRAINER 200 - GGEL627071
GYM XR 45 - GGSY20671
GYM GOLD--S GYM XR 5.9 - GGBE48699
GYM GOLD--S GYM STRIDE TRNR 450 - GGEL639140
GYM XR18 - GGBE15830
GYM GOLD-S GYM VIBEMAX 580 - GGVB59780
GYM ADJUSTABLE STRIDETRAINER 330 WL - GGEL628070
GYM GOLD--S GYM XR 6.1 - GGBE60610C0
GYM GOLD-S GYM XR45 - GGSY20672
GYM GOLD--S GYM XR 5.9 - GGBE486910
GYM GG STRIDE TRAINER 450I - GGEL639150
GYM - GGBE16570
GYM 735 POWER SMITH - GLSY22521
GYM ADJUSTABLE STRIDETRAINER 330 WL - GGEL628071
GYM GOLD--S GYM XR 6.0 - GGBE896160
GYM GOLD--S GYM COMBO - GGBE995170
GYM GOLD-S GYM XR45 - GGSY20673
GYM GOLD--S GYM XR 5.9 - GGBE486911
GYM STRIDE TRAINER 500 - GGEL649070
GYM PLATINUM - GGBE16580
GYM 735 POWER SMITH - GLSY22522
GYM GG STRIDETRAINER 380 - GGEL628080
GYM POWER - GGSY24220
GYM GOLD-S GYM POWER AXIS - GGBE59740
GYM MAXX STRIDETRAINER 680 - GGEL660080
GYM POWER SERIES - GGBE17740
GYM 755 POWER CAGE - GLSY26621
GYM GG STRIDETRAINER 380 - GGEL628081
GYM GG STRIDE TRAINER 380 - GGEL628160
GYM GOLD--S GYM XRS 50 - GGSY246130
GYM GG XR 6.1 - GGBE606100
GYM CROSSTRAINER PLUS - GGEL679070
GYM POWER SERIES - GGBE17760
GYM 755 POWER CAGE - GLSY26622
GYM GG STRIDE TRAINER 310 - GGEL629020
GYM GG STRIDE TRAINER 380 - GGEL628161
GYM GOLD--S GYM XRS 50 - GGSY246131
GYM GG XR 6.1 - GGBE606101
GYM MAXX CROSSTRAINER 880 - GGEL680080
GYM POWER SERIES - GGBE18760
GYM STRIDE TRAINER 300 - GGEL629070
GYM STRIDE TRAINER 300 - GGEL629071
GYM GG STRIDE TRAINER 380 - GGEL628165
GYM GOLD--S GYM XRS 50 - GGSY246132
GYM GG XR 6.1 - GGBE606102
GYM MAXX STRIDETRAINER 880 - GGEL681080
GYM PLATINUM - GGBE19570
GYM GG STRIDE TRAINER 310 - GGEL629101
GYM GG STRIDE TRAINER 550I - GGEL659160
GYM GOLD--S GYM XRS 50 - GGSY246133
GYM GG XR 6.1 - GGBE606103
GYM GOLD S GYM WHIRLWIND 390 - GGEX023090
GYM PLATINUM OLYMPIC - GGBE19590
GYM GG STRIDE TRAINER 310 - GGEL629102
GYM GG STRIDE TRAINER 550I - GGEL659161
GYM GG - GGSY290130
GYM GG XR 6.1 - GGBE606104
GYM GOLD--S GYM WHIRLWIND 390 - GGEX023091
GYM GOLD-S GYM PLATINUM OLYMPIC - GGBE19591
GYM GG STRIDE TRAINER 310 - GGEL629103
GYM GG STRIDE TRAINER 550I - GGEL659162
GYM POWER FLEX - GGSY29210
GYM PLATINUM - GGBE69580
GYM GOLD-S GYM TRAINER 300 - GGEX023101
GYM GOLD--S GYM XRS 20 - GGBE196150
GYM GOLD--S GYM TRAINER 430I - GGTL396170
GYM GG STRIDE TRAINER 310 - GGEL629104
GYM GG STRIDE TRAINER 550I - GGEL659164
GYM GS2500 WEIGHT - GGSY29850
GYM PLATINUM - GGBE69581
GYM GOLD--S GYM TRAINER 300 - GGEX023102
GYM POWER SERIES GB 1500 - GGBE19640
GYM GOLD--S GYM TRAINER 430I - GGTL396171
GYM GG STRIDE TRAINER 310 - GGEL629105
GYM PLATINUM - GGSY30580
GYM GOLD- GYM PLATINUM - GGBE69583
GYM 490 - GGEX034090
GYM GOLD--S GYM XRS 20 - GGBE206150
GYM GOLD--S GYM TRAINER 430I - GGTL396173
GYM GG STRIDE TRAINER 310 - GGEL629106
GYM GOLD--S GYM GT 50 - GETL607150
GYM GS2700 POWER GLIDE - GGSY30661
GYM XR 7.9 - GGBE69690
GYM 590R - GGEX045090
GYM XR25 - GGBE24320
GYM GOLD--S GYM TRAINER 430I - GGTL396174
GYM GG STRIDE TRAINER 310 - GGEL629107
GYM GOLD--S GYM GT 50 - GETL607151
GYM XR 60 - GGSY49230
GYM XR 7.9 - GGBE69691
GYM 200 U - GGEX17760
GYM - GGBE25570
GYM GG STRIDE TRAINER 350 - GGEL629130
GYM GOLD--S GYM GT 50 - GETL607152
GYM XRT 75 - GGSY69320
GYM XR 7.9 - GGBE69692
GYM 225 R - GGEX17960
GYM PLATINUM - GGBE25580
GYM GG STRIDE TRAINER 350 - GGEL629131
GYM GOLD--S GYM GT 50 - GETL607153
GYM XR66 - GGSY69530
GYM XR 7.9 - GGBE69693
GYM 210 U - GGEX616070
GYM GOLD-S GYM GB 2000 - GGBE25640
GYM GG STRIDE TRAINER 350I - GGEL629150
GYM XR 17 - GGBE10670
GYM XR66 - GGSY69531
GYM - GGBE69740
GYM 210 U - GGEX616071
GYM GOLD-S GYM GB 2000 - GGBE25641
GYM GG STRIDE TRAINER 350I - GGEL629151
GYM PRO SERIES GB 1000 - GGBE10740
GYM POWER FLEX - GGSY79240
GYM GOLD-GYM PRO SERIES GR7000 - GGBE69741
GYM 230 R - GGEX617070
GYM XR 38 - GGBE29830
GYM GG STRIDE TRAINER 350I - GGEL629152
GYM POWER SERIES - GGBE10760
GYM 450 - GGTL036070
GYM PRO SERIES - GGBE80570
GYM 230 R - GGEX617071
GYM XR30 - GGBE29920
GYM XR30 - GGBE29922
GYM TRAINER 430I - GGTL396175
GYM POWER SERIES - GGBE10761
GYM 450 - GGTL036071
GYM PRO SERIES - GGBE80571
GYM 390 R - GGEX617090
GYM XR35 - GGBE35420
GYM TRAINER 430I - GGTL396176
GYM XR 5 - GGBE12830
GYM 450 - GGTL036072
GYM GOLD-S GYM XR 10.1 - GGBE996100
GYM GOLD-S GYM POWERSPIN 390 R - GGEX617091
GYM XR35 - GGBE35421
GYM TRAINER 720 - GGTL596180
GYM XR 5 - GGBE12831
GYM 450 - GGTL036073
GYM GOLD-S GYM XR 10.1 - GGBE996101
GYM GOLD--S GYM XRS 50 - GGSY246180
GYM GOLD--S GYM POWERSPIN 390 R - GGEX617092
GYM XR35 - GGBE35422
GYM GOLD-S GYM XR 10 - GGBE12850
GYM 450 - GGTL036074
GYM GOLD--S GYM XR 10.1 - GGBE996102
GYM GG CYCLE TRAINER 390 R - GGEX617121
GYM XR37 - GGBE35430
GYM XR16 - GGBE13830
GYM 450 - GGTL036075
GYM GOLD--S GYM XR 10.1 - GGBE996103
GYM GG CYCLE TRAINER 390 R - GGEX617122
GYM 300 U - GGEX722080
GYM XR 5.9 - GGBE48690
GYM GOLD-S GYM PLATINUM - GGBE14590
GYM 450 - GGTL036076
GYM GOLD--S GYM XR 10.1 - GGBE996104
GYM POWER FLEX LEG - GGMC03220
GYM XR 5.9 - GGBE48691
GYM GOLD-S GYM PLATINUM - GGBE14591
GYM TRAINER 315 - GGTL306110
GYM GOLD--S GYM XR 10.1 - GGBE996105
GYM PLATINUM - GGSY045100
GYM XR 5.9 - GGBE48692
GYM GG STRIDE TRAINER 350I - GGEL629154
GYM XR 18.9 - GGBE14690
GYM GOLD--D GYM TRAINER 430 - GGTL396140
GYM GOLD--S GYM XR 10.1 - GGBE996106
GYM GOLD--S GYM PLATINUM - GGSY045101
GYM XR 5.9 - GGBE48693
GYM GG STRIDE TRAINER 350I - GGEL629156
GYM XR15 - GGBE14820
GYM GOLD--D GYM TRAINER 430 - GGTL396141
GYM GG STRIDE TRAINER 350 - GGCCEL629131
GYM GG PLTNM FNCTNL TRAINER - GGSY055100
GYM GOLD-S GYM XR 5.9 - GGBE48694
GYM GG STRIDE TRAINER 350I - GGEL62915C0
GYM XR15 - GGBE14821
GYM GOLD--S GYM TRAINER 430I - GGTL396150
GYM CROSTRAINER 510 - GGEL604070
GYM XRS 30 - GGSY206100
GYM GOLD--S GYM XR 5.9 - GGBE48695
GYM GG STRIDE TRAINER 410 - GGEL639020
GYM XRS 20 - GGBE14860
GYM GOLD--S GYM TRAINER 430I - GGTL396151
GYM CROSTRAINER 510 - GGEL604071
HEALTH RIDER
H95E - HREL599094
HEALTH RIDER - HRCR48961
H45XR - HREX549090
H95E - HREL599095
R850X - HRC06920
CROSSTRAINER C840E - HRE59020
AIRE STRIDER E60 - HREL59930
R850X - HRC06921
CROSSTRAINER C860E - HRE69020
860 - HREL69010
HYBRID TRAINER - HREL034120
C865E - HRE6994DR0
860 - HREL69011
HYBRID TRAINER - HREL034121
C895E - HRE9994DR0
8.5EX CROSSTRAINER - HREL88060
E730 - HREL11900
C225 E - HRMSEL21050
8.5 EX CROSSTRAINER EL - HREL88061
C300E - HREL20050
H110I - HRTL343060
H300S - HREVBE33450
H35E - HREL23935C1
H110I - HRTL343061
H 110I - HCTL343070
E330 - HREVEL05983
H35E - HREL23935C2
H110I - HRTL343062
CROSSTRAINER 800S - HREVEL30140
C515E - HREL30060
CROSSTRAINER 800S - HREVEL30142
H300 - HREL32260
CROSSTRAINER - HREVEL33030
H300 W%2fMAT - HREL3226M0
CROSSTRAINER 990 S - HREVEL36030
C535E - HREL329070
H70E - HMEL507080
CROSSTRAINER 990 S - HREVEL36031
830 - HREL49010
H50T - HMTL578080
CROSSTRAINER 900 S - HREVEL36040
830 - HREL49011
INVERSION - HRBE20670
CROSSTRAINER 950 S - HREVEL48850
E55 - HREL50020
INVERSION - HRCCBE20670
H40X PRO - HREX044100
CROSSTRAINER 1050 T - HREVEL69850
H70E - HREL507081
HYBRID TRAINER - HRCCEL034120
CROSSTRAINER 1250T - HREVEL807140
CLUB H140E - HREL513080
E730 - HRCCEL11900
CROSSTRAINER 1250T - HREVEL807141
H50E - HREL560113
H67E - HRCCEL159120
CROSSTRAINER R790 X - HREVEX24030
H50E - HREL560114
H82E - HRCCEL169120
CROSSTRAINER R890 X - HREVEX87930
H50E - HREL560115
H92 E - HRCCEL180110
RC270 - HREX04210
H50E - HREL560116
H92 E - HRCCEL180111
N35 - HREX20760
H50E - HREL560117
830 - HRCCEL49010
N35 - HREX20761
H90E - HREL598080
HEALTHRIDER 830 - HRCCEL49011
N35 - HREX207699
STRIDE TRAINER 900 - HREL598090
AIRE STRIDER E60 - HRCCEL59930
CC125 - HREX36500
STRIDE TRAINER 900 - HREL598091
860 - HRCCEL69011
RC250 - HREX36590
STRIDE TRAINER 900 - HREL598092
RC270 - HRCCEX04210
LRC - HREX37580
STRIDE TRAINER 900 - HREL598093
N35 - HRCCEX20760
EXERPLAY 200 - HREX529080
STRIDE TRAINER 900 - HREL598094
C860E - HRCCE69020
EXERPLAY 200 - HREX529081
H95E - HREL599091
EXERPLAY 300 - HREX539080
H95E - HREL599092
HR2 - HRCR48960
EXERPLAY 300 - HREX539081
H95E - HREL599093
HIDDEN GROVE
GROVE IMAGE 2002 - HGBE89910
Icon
POWER ET 300 - AETL148080
POWER E200 - AEVEL190080
- GGEX023100
DELUXE HALF CAGE - GLSY07520
DELUXE HALF CAGE - GLSY07521
STRIDE TRAINER - WLEL329091
POWER SMITH - GLSY22520
LAPTOP - TVS100
GEAR TRACKER SM 737 - GLSY22540
- WEMC03660
POWER CAGE - GLSY26620
GEAR TRACKER PC 757 - GLSY26640
- MTSC11700
BODY WORKS - GNBE14410
PRO 345 B OTS - 831.159640
- MTSC11701
PRO 345 B OTS - 831.159641
II - MTSC11720
THUNDER - MTSC11730
- MTSC11800
- MTSC19800
- MTSC20000
IMAGE
9.5 - IMEL39060
2.0C - IMEX30590
INDOOR CYCLE - IMEX320120
7 - IMST90060
3.2C - IMEX35080
10.0 DLX - IMTL292120
7 - 831.285780
20.0 VT - IMTL305100
5 - IMBE29910
5.5 - IMBE39401
4 - IMBE40053
4 - IMBE40055
4.5 - IMBE53901
5.2 - IMBE53910
4.8 LIMITED EDITION - IMBE53990
8 - IMEL21051
7.8 - IMEL21940
7.8 - IMEL21941
7.8 - IMEL21942
8.25 - IMEL23050
8.25 - IMEL23051
8.5 - IMEL28050
LIFE Styler
ST 210 - 831.285740
6100 - 831.296620
6100 - 831.296621
6000 - 831.296860
6000 - 831.296861
RF545 - 831.288720
NordicTrack
Commercial VU 29 - NTEX129212
S15i COMM STUDIO CYCLE BIKE - NTEX051198
Commercial VU 29 - NTEX129213
S15i COMM STUDIO CYCLE BIKE - NTEX051199
Commercial VU 29 - NTEX129214
S15i COMM STUDIO CYCLE BIKE - NTEX0511910
FS14i Freestride Trainer - NTEL716200
S15i COMM STUDIO CYCLE BIKE - NTEX0511915
FS14i Freestride Trainer - NTEL716201
S15i COMM STUDIO CYCLE BIKE - NTEX0511916
FS14i Freestride Trainer - NTEL716204
S15i COMM STUDIO CYCLE BIKE - NTEX051225
FS14i Freestride Trainer - NTEL716205
S15i COMM STUDIO CYCLE BIKE - NTEX05122-INT2
FS10i Freestride Trainer - NTEL713200
S15i COMM STUDIO CYCLE BIKE - NTEX05122-INT4
FS10i Freestride Trainer - NTEL713201
S22i COMM STUDIO CYCLE BIKE - NTEVEX187184
FS10i Freestride Trainer - NTEL713202
S22i COMM STUDIO CYCLE BIKE - NTEVEX187185
FS10i Freestride Trainer - NTEL713205
S22i COMM STUDIO CYCLE BIKE - NTEVEX187186
AirGlide 14i - NTEL714233
S22i COMM STUDIO CYCLE BIKE - NTEX02117NB7
AirGlide 14i - NTEL714234
S22i COMM STUDIO CYCLE BIKE - NTEX02117NB8
S22i COMM STUDIO CYCLE BIKE - NTEX02117NB9
COMMERCIAL 14.9 ELLIPTICAL (AIRGLIDE 14I) - NTEL714232
S22i COMM STUDIO CYCLE BIKE - NTEX02117NB10
Commercial 9.9 - NTEL798203
S22i COMM STUDIO CYCLE BIKE - NTEX02117NB11
Commercial 1750 - NTL141220
Commercial 9.9 - NTEL798204
S22i COMM STUDIO CYCLE BIKE - NTEX02117NB12
Commercial 1750 - NTL141222
Commercial 9.9 - NTEL798206
S22i COMM STUDIO CYCLE BIKE - NTEX02117NB13
Commercial 1750 - NTL141223
Commercial 9.9 - NTEL798207
S22i COMM STUDIO CYCLE BIKE - NTEX02117NB19
Commercial 1750 - NTL141224
Commercial 9.9 - NTEL79820C0
S27i COMM STUDIO CYCLE BIKE - NTEX027221
Commercial 1750 - NTL141228
Commercial 9.9 - NTEL79820C1
S27i COMM STUDIO CYCLE BIKE - NTEX027222
Commercial 1750 - NTL141229
Commercial 2450 - NTL1712214
S27i COMM STUDIO CYCLE BIKE - NTEX027224
Commercial 1750 - NTL1412211
Commercial 2450 - NTL1712218
S27i COMM STUDIO CYCLE BIKE - NTEX02722G2
Commercial 1750 - NTL1412212
Commercial 2450 - NTL1712219
S27i COMM STUDIO CYCLE BIKE - NTEX02722W2
Commercial 1750 - NTL14122-INT0
S22i COMM STUDIO CYCLE BIKE - NTEX024220
Commercial 1750 - NTL14122-INT3
S22i COMM STUDIO CYCLE BIKE - NTEX024222
Commercial 1750 - NTL14122-INT6
S22i COMM STUDIO CYCLE BIKE - NTEX024223
Commercial 2450 - NTL171225
S22i COMM STUDIO CYCLE BIKE - NTEX024224
Commercial 2450 - NTL171226
S22i COMM STUDIO CYCLE BIKE - NTEX024225
S15i COMM STUDIO CYCLE BIKE - NTEVEX167205
Commercial R35 Recumbent Bike - NTEX149210
S15i COMM STUDIO CYCLE BIKE - NTEVEX167206
Commercial VU 29 - NTEX129210
S15i COMM STUDIO CYCLE BIKE - NTEVEX167208
Commercial VU 29 - NTEX129211
S15i COMM STUDIO CYCLE BIKE - NTEX051197
VGR 940 - NTEVEL08990
A.C.T. - NTEL089110
SL 528 - 831.305060
NORDICTRACK COMM S15I STUDIO CYCLE BIKE - NTEX05121-INT1
C2SI - NTEX048081
AUDIOSTRIDER 990 - 831.236693
AUDIO STRIDER 600 - NTEL75060
N0DICTRACK A.C.T. PRO - NTEL012991
NORDICTRACK E 5.7 - 831.298567
COMMERCIAL VR21 - NTEX760162
E 8.7 - 831.239483
COMM. S15I - NTEVEX167200
E10 REAR DRIVE - NTEVEL899090
COMMERCIAL 14.9 - NTEL715180
CXT910 - NTEL59010
E 9.0 - 831.239521
S6000 - NTPRSY34150
E 7.7 - 831.238871
S22I STUDIO CYCLE BIKE - NTEX02117NB.2
CXT 1400 - NTEVEL12850
VGR940 - NTEL08990
A.C.T. ELITE - 831.239000
GRT310 - NTBE01100
NORDICTRACK COMM S15I STUDIO CYCLE BIKE - NTEX05121-INT2
TRL610 - NTEX04900
AUDIOSTRIDER 990 - 831.236694
AUDIOSTRIDER 600 - NTEL75062
A.C.T. PRO - NTEL012992
NORDICTRACK E 5.7 - 831.298568
COMMERCIAL VR21 - NTEX76016C0
E 8.7 - 831.239484
COMM. S22I - NTEVEX18718-CH1
E10 REAR DRIVE - NTEVEL899091
FREESTRIDE TRAINER FS9I - NTEL716170
CXT910 - NTEL59011
A.C.T. CLASSIC - NTCW507070
E 9.0 - 831.239522
FREESTRIDER 35 SI - NTSR017100
E 7.7 - 831.238872
S22I STUDIO CYCLE BIKE - NTEX02117NB.3
CXT 990 - NTEVEL12910
VGR940 - NTEL08991
A.C.T. ELITE - 831.239001
GRT200 - NTBE01490
NORDICTRACK COMM S22I STUDIO CYCLE BIKE - NTEX021210
TRL610 - NTEX04901
ELLIPTICAL - 831.236970
AUDIOSTRIDER 600 - NTEL75063
E 5.7 - NTEL050113
CXT 910 - 831.298640
GX 4.6 PRO - NTEX769170
E 9.5 - 831.239490
COMM.S22I - NTEVEX187180
E10 REAR DRIVE - NTEVEL899092
FREESTRIDE TRAINER FS9I - NTEL716182
CXT910 - NTEL59012
A.C.T. - NTCW909070
E 9.0 - 831.239523
INVERSION - 831.145956
MTN 750 - NTST07900
AUDIOSTRIDER 990 PRO - 831.238892
S22I STUDIO CYCLE BIKE - NTEX02117NB.4
AUDIOSTRIDER 990 PRO - 831.238893
COMMERCIAL 14.9 - NTEL714185
CXT 990 - NTEVEL12911
AUDIOSTRIDER 990 PRO - NTEL091090
A.C.T. ELITE - 831.239002
GRT340 - NTBE01701
NORDICTRACK COMM S22I STUDIO CYCLE BIKE - NTEX021211
GX3.0 - NTEX049101
ELLIPTICAL - 831.236971
AUDIOSTRIDE 800 - NTEL77060
E 5.7 - NTEL050114
CXT 910 - 831.298641
COMMERCIAL VU 19 - NTEX769180
E 9.5 - 831.239492
COMM.S22I - NTEVEX187181
E11.0 - NTEVEL909100
FREESTRIDE TRAINER FS9I - NTEL716184
ELITE 9.1 - NTEL598100
A.C.T. - NTCW909071
E 9.0 - 831.239524
REVITALIZE 2.0 INVERSION - 831.148951
E8100 COMPETITION SERIES - NTSY19080
A.C.T. - 831.238960
COMM.S22I - NTEX02117NB0
E 12.2 - NTEVEL129130
AUDIOSTRIDER 990 PRO - NTEL091091
A.C.T. ELITE - 831.239003
WEIDER XT20 PRO OR - NTBE01702
NORDICTRACK COMM S22I STUDIO CYCLE BIKE - NTEX021212
GX 5.0 PRO - NTEX049110
ELLIPTICAL - 831.236972
AUDIOSTRIDE 800 - NTEL77061
E 5.7 - NTEL050115
CXT 910 - 831.298642
COMMERCIAL VR25 - NTEX899170
E 7.0 - 831.239510
COMM.S22I - NTEVEX187182
CABLE CROSS - 831.60021
E 9.5 - NTEVEL909120
A.C.T.COMMERCIAL 10 - NTEL718170
A.C.T.COMMERCIAL - NTEL710140
A.C.T. - NTCW909072
E 9.0 - 831.239525
REVITALIZE 2.0 INVERSION - 831.148952
GRT950 - NTSY39210
E6900 - 831.157180
GRT950 - NTSY59210
E 7.0 Z - 831.239050
COMM.S22I - NTEX02117NB1
E 12.2 - NTEVEL129131
AUDIOSTRIDER 990 PRO - NTEL091092
GRT 320 - NTBE02400
NORDICTRACK COMM S22I STUDIO CYCLE BIKE - NTEX021213
GX 5.0 PRO - NTEX049111
ASR 630 - 831.237650
E 5.7 - NTEL050116
CXT 980 - 831.298650
COMMERCIAL VR25 - NTEX899180
COMM.S22I - NTEVEX187183
E 11.5 - NTEVEL909121
A.C.T.COMMERCIAL 10 - NTEL718171
A.C.T.COMMERCIAL - NTEL710141
SL705 - NTC05941
E5VI - 831.239550
E 7.0 Z - 831.239051
COMM.S22I - NTEX02117NB2
E 12.2 - NTEVEL129132
AUDIOSTRIDER 990 PRO - NTEL091093
GRT240 - NTBE02990
NORDICTRACK COMM S22I STUDIO CYCLE BIKE - NTEX021214
GX 5.0 PRO - NTEX049112
ASR 630 - 831.237651
E 5.7 - NTEL050117
CXT 980 - 831.298651
SL528 - 831.215020
INVERSION - 831.145955
COMM.S10I - NTEX05117NB0
E 11.5 - NTEVEL909122
A.C.T.COMMERCIAL - NTEVEL130160
A.C.T.COMMERCIAL - NTEL710142
SL710 - NTC07940
E5VI - 831.239551
E5VI - 831.239552
E 7.0 Z - 831.239052
COMM.S22I - NTEX02117NB3
CXT 1100 - NTEVEL12930
AUDIOSTRIDER 990 PRO - NTEL091094
GRT 360 - NTBE04901
NORDICTRACK COMM S22I STUDIO CYCLE BIKE - NTEX021215
GX 4.2 PRO - NTEX050123
ASR 630 - 831.237652
E5VI - NTEL056090
VGR910 - 831.298940
C2SI - 831.218620
COMM.S10I - NTEX05117NB1
AUDIOSTRIDER CX650 - NTEVEL962070
A.C.T.COMMERCIAL - NTEVEL130161
A.C.T. - NTEL713120
SL710 - NTC07941
E 7.5 I - 831.240300
FUTURA 2200 - NTS58740
E 7.0 Z - 831.239053
COMM.S22I - NTEX02117NB4
CXT910 - NTEVEL59011
AUDIOSTRIDER 990 PRO - NTEL091095
GRT270 - NTBE04990
NORDICTRACK COMM S22I STUDIO CYCLE BIKE - NTEX021216
C3 SI - NTEX058080
ASR 700 - 831.237860
E5VI - NTEL056091
AUDIOSTRIDER 990 PRO - 831.301920
C2SI - 831.218621
COMM. S15I - NTEX051190
AUDIOSTRIDER 900 - NTEVEL990070
C 9.5 - NTEVEL148160
A.C.T. COMMERCIAL 7 - NTEL713123
SL710 - NTC07942
SL730 - NTC08940
E 7.5 I - 831.240301
STRENGTH CIRCUIT TRAINER - NTS59020
E 9.0 Z - 831.239070
COMM.S22I - NTEX02117NB5
CXT 910 - NTEVEL59012
AUDIOSTRIDER 990 PRO - NTEL091096
GRT 380 - NTBE05901
NORDICTRACK COMM S22I STUDIO CYCLE BIKE - NTEX021217
NORDICTRK COMMERCIAL VR PRO - NTEX079120
ASR 700 - 831.237861
E5VI - NTEL056092
AUDIOSTRIDER 990 PRO - 831.301921
C3 SI - 831.218730
COMM. S15I - NTEX051191
E 10.0 - NTEVEL990140
A.C.T. COMMERCIAL 7 - NTEVEL150160
COMMERCIAL STRIDE - NTEL713130
SL730 - NTC08941
E 7.5 I - 831.240304
E 500 - NTS59250
E 9.0 Z - 831.239071
COMM.S22I - NTEX02117NB6
CXT 950 - NTEVEL59030
AUDIOSTRIDER 990 PRO - NTEL091097
GRT 400 - NTBE06901
NORDICTRACK COMM S22I STUDIO CYCLE BIKE - NTEX021218
NORDICTRK COMMERCIAL VR PRO - NTEX079121
E5 SI - 831.238550
VGR910 - NTEL05900
AUDIOSTRIDER 990 PRO - 831.301922
GX 5.0 PRO - 831.219740
COMM. S15I - NTEX051193
E 8.2 - NTEVEL999130
A.C.T. COMMERCIAL 7 - NTEVEL150161
COMMERCIAL STRIDE - NTEL713131
SL730 - NTC08942
E 7.5 I - 831.240305
FUTURA 2600 - NTS78740
E 9.0 Z - 831.239072
E 7.2 - NTEVEL779110
AUDIOSTRIDER 990 - NTEL098090
E125 - NTBE10760
NORDICTRACK COMM S22I STUDIO CYCLE BIKE - NTEX021219
COMMERCIAL VR - NTEX080110
AUDIOSTRIDER 990 PRO - 831.238690
E5 SI - NTEL059080
130 - 831.305100
GX 5.0 PRO - 831.219741
COMM. S15I - NTEX051194
E 9.5 - NTEVEL999140
COMMERCIAL 12.9 - NTEVEL150170
COMMERCIAL STRIDE - NTEL713132
SL528 EXERCISE - NTC30150
A.C.T. - 831.240320
STRENGTH CIRCUIT TRAINER - NTS79020
E 9.0 Z - 831.239073
E 7.2 - NTEVEL779111
AUDIOSTRIDER 990 PRO - NTEL098112
NORDICTRACK COMMERCIAL 2450 TREADMILL - NTL171220
E125 - NTBE10761
NORDICTRACK COMM S22I STUDIO CYCLE BIKE - NTEX02121-INT1
COMMERCIAL VR - NTEX080111
AUDIOSTRIDER 990 PRO - 831.238691
AUDIOSTRIDER 800 - NTEL77062
VGR900 - NTEL05990
130 - 831.305101
GX 5.0 PRO - 831.219742
COMM. S15I - NTEX051195
E 9.5 - NTEVEL999141
FREESTRIDE TRAINER FS7I - NTEVEL190160
COMMERCIAL STRIDE - NTEL713133
SL720 - NTC69020
A.C.T. - 831.240321
STRENGTH PLATE - NTW00320
ELITE 10.9 - 831.239090
E8100 COMPETITION - 831.158670
E 7.2 - NTEVEL779112
E 7.0 Z - NTEL059150
AUDIOSTRIDER 990 PRO - NTEL098113
COMMERCIAL 12.9 - NTEL712184
E200 - NTBE15060
NORDICTRACK COMM S22I STUDIO CYCLE BIKE - NTEX02121-INT2
COMMERCIAL VR - NTEX138080
AUDIOSTRIDER 990 PRO - 831.238692
E 8.9 - NTEL780140
VGR900 - NTEL05991
130 - 831.305102
ELITE 5.4 - 831.219750
COMM. S15I - NTEX051196
ELITE 11.0 - NTEVEL999150
FREESTRIDE TRAINER FS7I - NTEVEL190161
COMMERCIAL STRIDE - NTEL713134
SL720 - NTC69021
**CANADA**EL NORDICTRK A.C.T. - 831.24032C0
ELITE 10.9 - 831.239091
MTN740 - 831.283660
E 7.2 - NTEVEL779113
E 7.0 Z - NTEL059151
SPACERSAVER SE 9i ELLIPTICAL (Audiostrider - NTEL098130
COMMERCIAL 12.9 - NTEL712186
E 6.3 - 23946-MX0
GRT 300 - NTBE29910
NORDICTRACK FREESTRIDE TRAINER FS10I ELLIPTICAL - NTEL71320-INT0
COMMERCIAL VR - NTEX138081
AUDIOSTRIDER 990 PRO - 831.238693
CXT930 - NTEL79010
E7 SV FRONT DRIVE - NTEL078080
E7 SV FRONT DRIVE - 831.306690
ELITE 5.4 - 831.219751
ELITE 11.0 - NTEVEL999151
FREESTRIDE TRAINER FS7I - NTEVEL190162
COMMERCIAL STRIDE - NTEL713135
FREESTRIDE TRAINER FS5I - NTEL713150
SL720 - NTC69022
E 9.5 I - 831.240350
ELITE 10.9 - 831.239092
MTN740 - 831.283661
E 7.2 - NTEVEL779114
E 9.5 I - NTEL079170
SPACESAVER SE 9I - NTEL098140
STRENGTH AB - NTB09920
NORDICTRACK FREESTRIDE TRAINER FS10I ELLIPTICAL - NTEL71320-INT2
COIMMERCIAL 400 - NTEX148070
AUDIOSTRIDER 990 PRO - 831.238694
AUDIOSTRIDER 990 - NTEL79060
E7 SV FRONT DRIVE - NTEL078081
E7 SV FRONT DRIVE - 831.306692
GX 7.0 PRO - 831.219770
ELITE 11.0 - NTEVEL999152
C 5.5 - NTEVEL698160
FREESTRIDE TRAINER FS5I - NTEL713152
SL720 - NTC69023
E 9.5 I - 831.240351
E200 - 831.302520
ELITE 10.9 - 831.239093
E 7.2 - NTEVEL779115
E 9.5 I - NTEL07917C0
SPACESAVER SE 9I - NTEL09814C0
STRENGTH ADJUSTIBLE - NTB12920
NORDICTRACK FREESTRIDE TRAINER FS10I ELLIPTICAL - NTEL71320C0
COMMERCIAL 400 - NTEX148071
AUDIOSTRIDER 990 PRO - 831.238695
AUDIOSTRIDER 990 - NTEL79061
E7 SV FRONT DRIVE - NTEL078082
E7 SV FRONT DRIVE - 831.306693
GX 7.0 PRO - 831.219771
ELITE 11.0 - NTEVEL999153
C 7.5 - NTEVEL898160
E 400 - NTIVEL494160
FREESTRIDE TRAINER FS5I - NTEL713153
SL760 - NTC89020
E 9.5 I - 831.240354
ELLIPSE 910 - NT331300
ELITE 10.9 - 831.239094
E 7.2 - NTEVEL779116
C 9.5 SERIES - NTEL097170
E 11.9 - NTEL099140
ADJUSTIBLE STRENGTH COMBO - NTB14920
COMMERCIAL 400 - NTEX148072
AUDIOSTRIDER 990 PRO - 831.238696
AUDIOSTRIDER 990 - NTEL79062
E7 SV FRONT DRIVE - NTEL078083
E7 SV FRONT DRIVE - 831.306694
GX 7.0 PRO - 831.219772
GX2 SPORT - NTEVEX750100
R 65 - NTEVEX799150
E 400 - NTIVEL494161
A.C.T.COMMERCIAL 10 - NTEL714140
SL760 - NTC89021
E 9.5 I - 831.240355
STRENGTH STATION - NT340880
CX 1600 - 831.239120
E 7.1 - NTEVEL779140
C 9.5 SERIES - NTEL097171
VGR970 - NTEL11990
STRENGTH SPOTTER RACK - NTB39020
GRAND TOUR - NTEX710151
AUDIOSTRIDER 990 PRO - 831.238697
AUDIOSTRIDER 990 - NTEL79063
E7 SV FRONT DRIVE - NTEL078084
AUDIOSTRIDER 990 - 831.307080
ELITE 7.4 - 831.219870
ELITE R110 - NTEVEX899150
E 400 - NTIVEL494162
A.C.T.COMMERCIAL 10 - NTEL714141
ASR 630 - NTEL005070
**CANADA**EL NORDICTRK E 9.5 I - 831.24035C0
E 5.7 - 831.239453
E 7.1 - NTEVEL779141
C 9.5 - NTEL098150
VGR990 - NTEL12900
STRENGTH PERFORMANCE - NTB49030
GRAND TOUR - NTEX710152
E7 SV FRONT DRIVE - 831.238770
AUDIOSTRIDER 990 - NTEL79064
E7 SV FRONT DRIVE - NTEL078085
AUDIOSTRIDER 990 - 831.307082
SL720 - 831.283190
NORDICTRACK COMMERCIAL 14.9 ELLIPTICAL - NTEL714200
SL850 - NTEVEX99830
E 400 - NTIVEL494163
A.C.T. COMMERCIAL PLUS - NTEL716120
ASR 630 - NTEL005071
**CANADA**EL NORDICTRK E 9.5 I - 831.24035C1
COMM. S22I STUDIO CYCLE - NTEVEX18718-CH0
E 5.7 - 831.239454
E7 SV FRONT DRIVE - NTEVEL799080
C 9.5 - NTEL098151
CXT 990 - NTEL12910
STRENGTH POWER SYSTEM - NTB58030
GRAND TOUR PRO - NTEX714151
E7 SV FRONT DRIVE - 831.238771
E 11.9 T - NTEL799140
E 7.1 - NTEL079100
AUDIOSTRIDER 600 - 831.307100
SL720 - 831.283191
NORDICTRACK COMMERCIAL 14.9 ELLIPTICAL - NTEL714203
FREESTRIDER 35 SI - NTEVSR819100
E 600 - NTIVEL690160
A.C.T. COMMERCIAL PLUS - NTEL716122
ASR 700 - NTEL006070
CX 920 - 831.283530
GX 4.4 PRO - NTEVEX750170
E 5.7 - 831.239455
E7 SV FRONT DRIVE - NTEVEL799081
ELITE 10.9 - NTEL098170
CXT 990 - NTEL12911
PILATES - NTCCBE19520
GRAND TOUR PRO - NTEX714152
E7 SV FRONT DRIVE - 831.238772
CX 1000 - NTEL79960
E 7.1 - NTEL079101
AUDIOSTRIDER 800 - 831.307250
SL720 - 831.283192
NORDICTRACK COMMERCIAL 14.9 ELLIPTICAL - NTEL714204
NORDICTRACK COMMERCIAL 14.9 ELLIPTICAL - NTEL714205
CABLE CROSS - NTEVSY15950
AUDIOSTRIDER 600 - 831.236650
A.C.T. COMMERCIAL 10 - NTEL716123
ASR 700 - NTEL006071
CX 998 - 831.285570
GX 4.4 PRO - NTEVEX750171
E 5.7 - 831.239456
E7 SV FRONT DRIVE - NTEVEL799082
ELITE 10.9 - NTEL098171
A.C.T.COMMERCIAL PLUS - NTEL199110
SL720 - NTCCC69023
480 CSX - NTEX739080
E7 SV FRONT DRIVE - 831.238773
A.C.T.COMMERCIAL PRO - NTEL912110
E 7.1 - NTEL079102
AUDIOSTRIDER 800 - 831.307252
SL720 - 831.283193
NORDICTRACK COMMERCIAL 14.9 ELLIPTICAL - NTEL714206
E8500 CTS - NTEVSY99780
AUDIOSTRIDER 600 - 831.236651
COMMERCIAL STRIDE PRO - NTEL716130
SPACE SAVER PLUS - NTEL008070
CX 998 - 831.285571
COMMERCIAL VR21 - NTEVEX760170
E 5.7 - 831.239457
MTN 750 - 831.298950
E7 SV FRONT DRIVE - NTEVEL799083
COMMERCIAL 12.9 - NTEL712180
ELITE 12.7 - NTEL212120
VGR 850 - NTCCEL47300
GX 4.4 PRO - NTEX750140
E7 SV FRONT DRIVE - 831.238774
A.C.T.COMMERCIAL PRO - NTEL912111
NT E 7.0 Z - 23905C0
E 8.0 - NTEL079110
SPACE SAVER PLUS - 831.308500
SL705 - 831.283241
SL710 - 831.283291
NORDICTRACK COMMERCIAL 14.9 ELLIPTICAL - NTEL71420-INT0
- NTEVVB148080
AUDIOSTRIDER 600 - 831.236652
FREESTRIDE TRAINER - NTEL716131
SPACE SAVER PLUS - NTEL008071
CX 998 - 831.285572
GRAND TOUR - NTEVEX899160
E 6.3 - 831.239460
FREESTRIDE TRAINER FS7I - NTEL713185
REVITALIZE INVERSION - 831.307920
E7 SV FRONT DRIVE - NTEVEL799084
COMMERCIAL 12.9 - NTEL712182
ELITE 12.7 - NTEL212121
CXT910 - NTCCEL59011
GX 4.6 PRO - NTEX769140
E7 SV FRONT DRIVE - 831.238775
E 15.0 - NTEL914110
E 8.0 - NTEL079113
SL710 - 831.283292
NORDICTRACK COMMERCIAL 14.9 ELLIPTICAL - NTEL71420-INT2
C2 SPORT - NTEX030090
AUDIOSTRIDER 600 - 831.236653
FREESTRIDE TRAINER - NTEL716132
PATHFINDER - NTEL009090
ELITE 1300 - 831.286140
COMM.S22I STUD.CYCL() - NTEX021170
E 6.3 - 831.239461
FREESTRIDE TRAINER FS7I - NTEL713186
E 12.0 - NTEVEL812100
FREESTRIDE TRAINER FS5I - NTEL71315C0
ELITE 12.7 - NTEL212122
CXT 910 - NTCCEL59012
COMMERCIAL VR23 - NTEX782140
A.C.T. - 831.238780
CXT 970 - NTEL99010
C 7.5 - NTEL079150
SL730 - 831.283390
NORDICTRACK COMM S15I STUDIO CYCLE BIKE - NTEX051211
C2 SPORT - NTEX030091
AUDIOSTRIDE 800 - 831.236670
FREESTRIDE TRAINER - NTEL716133
PATHFINDER - NTEL009091
ELITE 1300 - 831.286141
WORLD TOUR CYCLE - NTEX051170
E 6.3 - 831.239463
FREESTRIDE TRAINER FS10I - NTEL713200
E 12.0 - NTEVEL812101
FREESTRIDE TRAINER FS7I - NTEL713170
ELITE 12.7 - NTEL212123
C4 SI - NTCCEX039090
COMMERCIAL VR25 - NTEX899140
PATHFINDER - 831.238790
SPACESAVER SE7i (990 - NTEL994130
C 7.5 - NTEL079151
SL730 - 831.283391
CX 998 - NEL70950
NORDICTRACK COMM S15I STUDIO CYCLE BIKE - NTEX051212
C2 SPORT - NTEX030092
AUDIOSTRIDER 800 - 831.236671
FREESTRIDE TRAINER - NTEL716134
PATHFINDER - NTEL009092
ELITE 1300 - 831.286142
GRAND TOUR PRO - NTEX704170
E 6.3 - 831.239466
FREESTRIDE TRAINER FS10I - NTEL713201
E 12.0 - NTEVEL812102
FREESTRIDE TRAINER FS7I - NTEL713182
ELITE 12.7 - NTEL212126
CXT 980 - NTE99021
PATHFINDER - 831.238791
GRT 200 - NTEVBE01410
C 7.5 - NTEL079152
C 7.5 - NTEL079153
TRL625 - 831.298960
CX 998 - NEL70951
NORDICTRACK COMM S15I STUDIO CYCLE BIKE - NTEX051214
C2 SPORT - NTEX030093
AUDIOSTRIDER 800 - 831.236672
FREESTRIDE TRAINER - NTEL716135
PATHFINDER - NTEL009093
ELITE 1300 - 831.286143
GRAND TOUR - NTEX71015C0
E 6.7 - 831.239472
FREESTRIDE TRAINER FS10I - NTEL713202
E 12.0 - NTEVEL812103
FREESTRIDE TRAINER FS7I - NTEL713184
ELITE 1300 - NTEL42550
TRL610 - NTCCEX04900
E 7.0 - 831.239511
PATHFINDER - 831.238792
GRT270 - NTEVBE04910
E 7.7 - NTEL081120
TRL625 - 831.298961
CX 998 - NEL70952
NORDICTRACK COMM S15I STUDIO CYCLE BIKE - NTEX051215
C4 SI - NTEX039090
AUDIOSTRIDER 990 - 831.236690
A.C.T.COMMERCIAL 10 (GW) - NTEL716150
PATHFINDER - NTEL009094
AUDIOSTRIDER 990 PRO - 831.298350
GRAND TOUR - NTEX710170
E 6.7 - 831.239473
FREESTRIDE TRAINER FS9I - NTEL716185
E 12.5 - NTEVEL812121
COMMERCIAL 14.9 - NTEL714180
ELITE 1300 - NTEL42551
TRL610 - NTCCEX04901
E 7.0 - 831.239512
PATHFINDER - 831.238793
GRT270 - NTEVBE04911
ELLIPTICAL - NTEL082120
C3 SI - 831.300710
NORDICTRACK COMM S15I STUDIO CYCLE BIKE - NTEX051216
TRL 600 - NTEX03990
AUDIOSTRIDER 990 - 831.236691
A.C.T.COMMERCIAL 10 (GW) - NTEL716151
E 9.9 - NTEL011120
NORDICTRACK E 5.7 - 831.298563
COMMERCIAL VR23 - NTEX760160
E 8.7 - 831.239481
FREESTRIDE TRAINER FS9I - NTEL716186
E7.0 - NTEVEL879100
COMMERCIAL 14.9 - NTEL714182
ELITE 1300 - NTEL42552
TRL610 - NTCCEX04902
E 7.0 - 831.239513
MTN 740 - NTM58020
PATHFINDER - 831.238794
E8200 COMPETITION () - NTEVBE13780
E200 - NTEVBE19980
NT GX3.0 SPORT - 831.298270
ELLIPTICAL - NTEL082121
C2SI - 831.300760
NORDICTRACK COMM S15I STUDIO CYCLE BIKE - NTEX051217
C2SI - NTEX048080
AUDIOSTRIDER 990 - 831.236692
A.C.T.COMMERCIAL 10 (GW) - NTEL716152
N0DICTRACK A.C.T. PRO - NTEL012990
NORDICTRACK E 5.7 - 831.298565
COMMERCIAL VR21 - NTEX760161
E 8.7 - 831.239482
COMMERCIAL 9.9 - NTEL798200
E7.0 - NTEVEL879101
COMMERCIAL 14.9 - NTEL715170
ELITE 1300 - NTEL42553
MTN740 - NTCCM58021
E 9.0 - 831.239520
MTN740 - NTM58021
E 7.7 - 831.238870
COMMERCIAL 14.9 ELLIPTICAL - NTEL714184
ProForm
XP 130 - 831.285441
Carbon E10 - PFEL995210
HYBRID TRAINER - PFEL038151
500 ZLE - PFEVEL959100
250I - PFEL039160
490 SPX - PFEX039102
990 CSE - PFEL899093
400 CROSSWALK SPORT - 24840C0
910 E - PFEL099110
XP THINLINE 480 - 831.238440
975S - PFEX97570
WHIRLWIND - 831.280440
595 HR - PFEVEL48940
405 CE - PFEL649100
850 - PFEL51057
CROSSWALK 415 - 831.247236
AB GLIDER - PFBE196102
410 TRAINER - PFTL395072
600 ZNE - PFEL056190
425 ZLX - PFEVEX740121
ENDURANCE 320 E - PFEVEL397160
CROSSTRAINER 970 - PFEX39910
- PFEX78918R0
G 880 - PFEVBE48050
PROFORM 8.0 EX BIKE - PFEX148173
ENDURANCE 520 E - PFEL559143
320 - PFEL29260
XP 130 - 831.285442
Carbon E10 - PFEL995211
FUSION 6.0LX - PFSY50150
HYBRID TRAINER - PFEL038152
500 ZLE - PFEVEL959101
250I - PFEL039161
POWER CT CYCLE TRAINER - PFEX039210
990 CSE - PFEL899094
1110 E - PFEL101120
HYBRID TRAINER - 831.238900
975S - PFEX97571
920S EKG - PFCCEX17910
WHIRLWIND - 831.280441
ENDURANCE 420 E - PFEVEL497160
405 CE - PFEL649101
ERGO STRIDER 3.0 - PFEL534080
CROSSWALK 415 - 831.247237
AB GLIDER - PFBE196103
410 TRAINER - PFTL395073
600 ZNE - PFEL056191
425 ZLX - PFEVEX740122
ENDURANCE 320 E - PFEVEL397161
CROSSTRAINER 970 - PFEX39911
- PFEX78918R1
C840 - 831.153321
PROFORM 8.0 EX BIKE - PFEX14817-INT0
ENDURANCE 520 E - PFEL559144
320 - PFEL29261
485E - 831.285736
FUSION 6.0 LX - PFSY50151
CROSSTRAINER 970 - 831.306821
505 ZLE - PFEVEL960100
250I - PFEL039162
590 SPX - PFEX050100
1100 E - PFEL899101
1110 E - PFEL101122
HYBRID TRAINER - 831.238901
975S - PFEX97572
WHIRLWIND - PFCCEX25122
WHIRLWIND - 831.280442
ENDURANCE 420 E - PFEVEL497161
405 CE - PFEL649103
ERGO STRIDER 3.0 - PFEL534081
AB GLIDER - PFBE196104
410 TRAINER - PFTL395074
600 ZNE - PFEL056192
290 SPX - PFEVEX749100
ENDURANCE 320 E - PFEVEL397170
225C - 831.285820
CROSSTRAINER 970 - PFEX39912
- PFEX78918T0
XP 160 WEIGHT - 831.156150
PROFORM CARBON E7 ELLIPTICAL - PFEL599200
545E - 831.285960
505 ZLE - PFEVEL960101
ERGOSTRIDE - PFEL048171
590 SPX - PFEX050101
C740 - 831.150320
1110 E - PFEL101123
475 E - 831.239350
975S - PFEX97573
985 R - PFCCEX34390
GL36 - 831.283120
ENDURANCE 420 E - PFEVEL497162
410 CE - PFEL649110
RAZOR 400 ES - PFEL539070
CROSSWALK 415 - 831.247239
FUSION 3.0 XT - PFBE30060
410 TRAINER - PFTL395075
590E - PFEL058090
1550C WI - PFEVEX87910
ENDURANCE 420 E - PFEVEL497171
220C - 831.285840
CROSSTRAINER 55 - PFEX39930
- PFEX78918T1
465S - PFEVEL19010
PROFORM CARBON E7 ELLIPTICAL - PFEL599203
15.5 S - 831.286220
FUSION 6.5 LX - PFSY68060
PF 900 - PFEVEL961070
SMART STRIDER 695 CSE - PFEL069160
PROFORM TREADMILL - PFTL296196
4.0 RT - PFEX138130
1080 S INTERACTIVE TRAINER - PFEL91030
CROSSWALK 415 - 831.247230
1110 E - PFEL101124
475 E - 831.239351
STRETCH - PFMC30710
REBEL - PFCCEX37082
CROSSTRAINER 56 - 831.283180
690 HR - PFEVEL49860
420 CE - PFEL649120
380 F - PFEL539080
TRAINER 420 - 831.247330
738 - PFBE30790
410 TRAINER - PFTL395076
590E - PFEL058091
R400 - PFEVRW39930
CROSSTRAINER 55 - DRC39940
CROSSTRAINER 55 - PFEX39931
733 - PFBE62290
DUAL TRAINER - 831.212570
485 P - PFEVEL24830
PROFORM CARBON E7 ELLIPTICAL - PFEL599204
PRO 12.9 - PFEL311151
15.5 S - 831.286221
605 ZLE - PFEVEL980141
SMART STRIDER 695 CSE - PFEL069162
PROFORM TRAINER 430I TREADMILL - PFTL396170
GR 75 - PFEX14950
900 ZNE - PFEL979100
LE TOUR DE FRANCE - PFEVEX713160
580 LT - PFTL499080
1310 E - PFEL112130
475 E - 831.239352
725 PR - PFMSEL79950
CROSSTRAINER 970 - PFCCEX39912
REBEL RECUMBENT BIKE AND ELLIPTICAL - 831.285870
650 HR - PFEVEL59830
420 CE - PFEL649121
130 - PFEL548070
380E - PFTL395080
590E - PFEL058092
CROSSTRAINER 55 - DRC39941
GT 90 - PFEX49860
630 - PFBE63080
XP 70 BIKE - 831.215010
485 P - PFEVEL24831
PROFORM C STRENGTH FLD WALL RACK BENCH - PFBE395200
I-SERIES 800 - PFEL579070
750 CARDIO CROSSTRAINER - PFEL38020
XP 115 - 831.286430
545E - PFEL03900
605 ZLE - PFEVEL980142
SMART STRIDER 6.5 - PFEL077160
PROFORM TRAINER 430I TREADMILL - PFTL396171
440 ES - PFEX159140
780 CSE - PFEL979180
LE TOUR DE FRANCE - PFEVEX713161
CROSSWALK 2.0 XT - PFTL499090
1280S INTERACTIVE TRAINER - PFEL13033
475 E - 831.239353
440R - PFRW39140
975S - PFCCEX97573
REBEL RECUMBENT BIKE AND ELLIPTICAL - 831.285871
605 HR - PFEVEL59831
510 ES - PFEL649130
380E - PFTL395081
590E - PFEL058093
900 CARDIO CROSSTRAINER - DREL45010
4.0 ES - PFEX527120
640 - PFBE64080
GR80 - 831.215210
450 HR - PFEVEL24860
PROFORM C STRENGTH POWER RACK XL BENCH - PFBE450200
I-SERIES 800 - PFEL579071
700 CARDIO CROSSTRAINER - PFEL39010
XP 160 - 831.286450
X4 - PFEL039070
890 E - PFEVEX10890
SMART STRIDER 6.5 - PFEL077162
PROFORM TRAINER 430I TREADMILL - PFTL39617-INT0
920S EKG - PFEX17910
780 CSE - PFEL979182
LE TOUR DE FRANCE - PFEVEX715160
ZE5 REAR DRIVE - PFEL159100
485 E - 831.239370
DUAL TRAINER - PFRW59130
RECOIL - PFCCSY29260
REBEL RECUMBENT BIKE AND ELLIPTICAL - 831.285872
650 - PFEVEL59850
620 E - PFEL649150
C830 - PFEL54930
CROSSWALK 380 - 831.248030
380E - PFTL395084
510 E - PFEL058112
900 CARDIO CROSSTRAINER - DREL45011
4.0 ES - PFEX527122
735 - PFBE64490
GR80 - 831.215211
535 SMR - PFEVEL26040
PROFORM C STRENGTH POWER RACK XL BENCH - PFBE450201
785 F - PFEL579080
700 CARDIO CROSSTRAINER - PFEL39012
XP 160 - 831.286451
450 - PFEL039071
975R - PFEVEX11500
SMART STRIDER 895 CSE - PFEL089160
PROFORM CADENCE COMPACT 500 TREADMILL - PFTL396210
GL35 - PFEX17930
TRAINER 6.5 - PFEL991250
LE TOUR DE FRANCE - PFEVEX719160
ZE5 REAR DRIVE - PFEL159101
3.6 - PETL405070
DUAL TRAINER - PFRW660140
RECOIL - PFCCSY29261
955R - 831.288080
790 HR - PFEVEL59860
620 E - PFEL649152
C830 - PFEL54931
CROSSWALK 380 - 831.248031
510 E - PFEL058113
160 - DREL89470
205 CST - PETL498170
4.0 ES - PFEX527123
660 - PFBE66080
GR80 - 831.215212
500 EKG - PFEVEL27850
PROFORM C STRENGTH ADJ BENCH - PFBE197200
PROFORM CROSSWALK LT TREADMILL - PFTL298200
I SERIES 785 F - PFEL579081
700 CARDIO CROSSTRAINER - PFEL39013
QUICK START 9.0 - PETL807080
650 LE - PFEL039150
920 S EKG - PFEVEX17010
SMART STRIDER 895 CSE - PFEL089162
PROFORM CADENCE COMPACT 500 TREADMILL - PFTL396211
GL35 - PFEX17931
980 CSE - PFEL998080
X-BIKE - PFEVEX719170
ZE5 REAR DRIVE - PFEL159102
485 CROSSWALK (CWL) - PETL497080
CARDIO GLIDE - PFCG22240
900L - 831.288230
615 HR - PFEVEL59940
950 - PFEL69050
C830 - PFEL54932
CROSSWALK SPORT - 831.248130
305 CST - PFTL409170
PERFPRMANCE 300I - PFTL397150
510 E - PFEL058114
1280S INTERACTIVE TRAINER - DRE13043
205 CST - PETL498171
300 CR - PFEX639100
775 S - PFBOEX37580
XP 90 BIKE - 831.215220
470 HR - PFEVEL27860
PROFORM CROSSWALK LT TREADMILL - PFTL298206
I SERIES 785 F - PFEL579082
700 CARDIO CROSSTRAINER - PFEL39014
XP THINLINE 480 - 831.308370
980 S EKG - PFEVEX19010
SMART STRIDER 8.0 - PFEL097160
PROFORM CADENCE COMPACT 500 TREADMILL - PFTL39621C0
GL35 - PFEX17932
600 - PFEMBE33220
LE TOUR DE FRANCE - PFEX014160
6.0 ET - PFEL16113C0
CARDIO CROSSTRAINER 820 - 831.283520
CROSSWALK - PFCW507070
775S - 831.288271
ENDURANCE 520 E - PFEVEL697160
950 - PFEL69051
SPACESAVER 600 - PFEL559070
CROSSWALK 390 - 831.248230
305 CST - PFTL409171
PERFPRMANCE 300I - PFTL397151
510 E - PFEL058115
650 CARDIO CROSS TRAINER - DRE29241
205 CST - PETL49817-CH1
300 CR - PFEX639101
C820 - PFB38030
XP 90 BIKE - 831.215221
640S900 CARDIO CROSSTRAINER - PFEVEL29010
315 IC - PFEX640110
C900 - PFB48030
XP 185 U - 831.217410
545 EKG - PFEVEL29830
PROFORM TREADMILL - PFTL296191
ENDURANCE 720 E - PFEL579140
CARDIO CROSSTRAINER 800 - PFEL39030
SMART POWER 10.0 - PFEX167180
XP 80 - PFANBE14250
985C - PFEVEX23020
SMART STRIDER 8.0 - PFEL097162
740 ES - PFEX189140
G700 - PFEMBE33230
LE TOUR DE FRANCE - PFEX014161
6.0 ET - PFEL16113C2
CARDIO CROSSTRAINER 820 - 831.283521
775S - 831.288272
ENDURANCE 520 E - PFEVEL697161
4.0 X - PFEL732070
10.0 ZE - PFEL559090
CROSSWALK 480 - 831.248241
305 CST - PFTL409173
PERFPRMANCE 300I - PFTL397153
510 E - PFEL058117
650 CARDIO CROSS TRAINER - DRE29242
PERFORMANCE 300I - PETL598160
GT 120 - PFEX69760
HYBRID TRAINER - PFCCEL038120
XP400R - 831.217520
545 EKG - PFEVEL29831
PROFORM TREADMILL - PFTL296192
ENDURANCE 720 E - PFEL579141
CARDIO CROSSTRAINER 800 - PFEL39031
SMART POWER 10.0 - PFEX167183
XP 140 - PFANBE18250
1150CI - PFEVEX24020
PRO 9.9 - PFEL310160
740 ES - PFEX189141
630 - PFEMBE76300
X-BIKE - PFEX119160
14.0 CE - PFEL180100
545S - 831.285270
975S - 831.288280
ENDURANCE 520 E - PFEVEL697162
RAZOR 400 - PFEL738070
10.0 ZE - PFEL559091
CROSSWALK 480 - 831.248242
305 CST - PFTL409174
ZE 6 - PFEL058130
675 CARDIO CROSS TRAINER - DRE29250
PERFORMANCE 300I - PETL598161
CARDIO CROSSTRAINER 800 - DRE39040
280 CSX - PFEX716080
545 E - PFCCEL03900
XP WHIRLWIND 280 - 831.218220
545 EKG - PFEVEL29832
ENDURANCE 720 E - PFEL579142
CARDIO CROSSTRAINER - PFEL39032
SMART POWER 10.0 - PFEX167185
XP 160 - PFANBE25250
XP 520 RAZOR - PFEL045090
740 EKG - PFEVEX29150
PRO 9.9 - PFEL310161
GR80 - PFEX19950
530E - PFEMEL47300
X-BIKE - PFEX119161
14.0 CE - PFEL180101
STYLE 4500 - PETL507070
975S - 831.288281
220 ZLE - PFEVEL729120
480 CSE - PFEL749080
CROSSWALK 480 - 831.248243
FIT 425 - PFTL507170
380 CS - PFTL399080
ZE 6 - PFEL058131
CARDIO CROSSTRAINER 800 - DRE39042
280 CSX - PFEX716081
SMART STRIDER - PFCCEL049120
XP WHIRLWIND 280 - 831.218221
660XT - PFEVEL33020
ENDURANCE 720 E - PFEL579143
STRIDESELECT 825 - PFEL39050
TOUR DE FRANCE CTC - PFEX689190
XP300 WEIGHT - PFANBE35250
EASY STRIDER - PFEL048130
735 EKG - PFEVEX29830
ENDURANCE 920 E - PFEL510160
GR80 - PFEX19951
WHIRLWIND - PFEMEX15010
575 CROSSTRAINER - PFTL547060
14.0 CE - PFEL180102
700 CARDIO CROSSTRAINER - 831.285280
975S - 831.288282
280 RAZOR - PFEVEL730080
650 T - PFEL758070
CROSSWALK 480 - 831.248244
SMART POWER 10.0 CYCLE - PFEVEX779180
FIT 425 - PFTL507171
380 CS - PFTL399081
ZE 6 - PFEL058133
- DRE54941
280 CSX - PFEX716082
695 E - PFCCEL05900
XP WHIRLWIND 280 - 831.218223
750 RX - PFEVEL34020
ENDURANCE 720 E - PFEL579144
STRIDESELECT 825 - PFEL39051
TOUR DE FRANCE CTC - PFEX689191
XP 600 S - PFANSY98251
EASY STRIDER - PFEL048131
735 EKG - PFEVEX29831
ENDURANCE 920 E - PFEL510161
GR80 - PFEX19953
C800 - 831.150330
X-BIKE - PFEX119162
540 - PFTL548060
14.0 CE - PFEL180105
5.0 ZLT - PETL598150
9.0 ET - PFEL010140
975S - 831.288283
280 RAZOR - PFEVEL730081
CROSSTRAINER 600 - PFEL759070
CROSSWALK 480 - 831.248245
305 CST - PFTL409175
FIT 425 - PFTL507172
380 CS - PFTL399082
695E - PFEL05900
C830 - DRE54942
385 CSX - PFEX718080
1280 S INTERACTIVE TRAINER - PFCCEL13050
WHIRLWIND AIR - 831.219220
750 RX - PFEVEL34021
STRIDESELECT 825 - PFEL39052
SMART POWER 10.0 - 219200
COREMASTER - PFBE11440
EASY STRIDER - PFEL048132
735 EKG - PFEVEX29832
ENDURANCE 920 E - PFEL510163
GT30 - PFEX20040
C840 - 831.153320
X-BIKE - PFEX119163
7.0 PERSONAL FIT-TRAINER - PFTL578070
14.0 CE - PFEL180106
5.0 ZLT - PETL598151
XP WHIRLWIND 280 - 831.298590
310 CE - PFEVEL730110
CROSSTRAINER 600 - PFEL759071
CROSSWALK 480 - 831.248246
305 CST - PFTL409176
FIT 425 - PFTL507173
STRIDECLIMBER 710I - PFEL066110
790E - PFEL079090
BENCH BY - HGBE89911
385 CSX - PFEX718081
14.0 CE - PFCCEL180110
WHIRLWIND AIR - 831.219221
550 HR - PFEVEL34860
14.0 MME - PFEL580150
400 H - PFEL39060
WHIRLWIND AIR - 219220
FUSION 1.3X - PFBE12160
870E - PFEVEX34080
ENDURANCE 920 E - PFEL510164
GT85X - PFEX20961
REBEL - PFENEX37080
8.0 EX - PFEX148170
PROFORM CARBON CX BIKE - PFEX639190
7.0 PERSONAL FIT-TRAINER - PFTL578071
14.0 CE - PFEL180107
5.0 ZLT - PETL598152
1200 E - PFEL012100
920S EKG - 831.306810
SPACESAVER 895 ZLE - PFEVEL739090
850 - PFEL778070
CROSSWALK 480 - 831.248248
CITY T7 - PFTL796200
790E - PFEL079091
SMART STRIDER 695 CSE - PFEVEL807170
210 CSX - PFEX724110
650 CARDIO CROSSTRAINER - PFCCEL29221
X-BIKE - 831.219260
950 RXI - PFEVEL35020
900 - PFEL59050
STRIDESELECT 830 - PFEL39260
WHIRLWIND AIR - 219221
C700 - PFBE12530
595E - PFEL04900
890 E - PFEVEX34180
CROSSOVER TRAINER - 831.305110
ENDURANCE 1520 E - PFEL515170
XP WHIRLWIND 320 - PFEX229120
CROSSOVER ELLIPTICAL - PFES80040
8.0 EX - PFEX148172
PROFORM CARBON CX BIKE - PFEX639191
7.0 PERSONAL FIT-TRAINER - PFTL578072
14.0 RE - PFEL180120
5.0 ZLT - PETL598153
975S%2fLIGHT - PFRX35390
1050 STS - PFEL013070
CROSSTRAINER 970 - 831.306820
380 RAZOR - PFEVEL740080
850 - PFEL778071
405 FIT BLE - 831.248500
CITY T7 - PFTL796201
790E - PFEL079092
ENDURANCE 720 E - PFEVEL897160
210 CSX - PFEX724111
750 CARDIO CROSS TRAINER - PFCCEL38050
X-BIKE - 831.219261
950 RXI - PFEVEL35021
900 - PFEL59051
STRIDE SELECT 830 - PFEL39261
X-BIKE DUO - 219260
FUSION 1.5T - PFBE14160
480 LE - PFEL049080
750 EKG - PFEVEX39150
ENDURANCE 1520 E - PFEL515171
WHIRLWIND - PFEX25121
CROSSOVER ELLIPTICAL - PFES80041
440 ES - PFEX159170
PROFORM CARBON CX BIKE - PFEX639194
7.0 PERSONAL FIT-TRAINER - PFTL578073
14.0 RE - PFEL180122
700 CARDIO CROSSTRAINER - 831.285282
LIGHT - PFRX35391
1050 STS - PFEL013071
380 RAZOR - PFEVEL740081
SPACESAVER DX - PFEL779080
405 FIT BLE - 831.248502
790E - PFEL079094
3.6 - PATL405070
210 CSX - PFEX724112
700 CARDIO CROSSTRAINER - PFCCEL39013
10.8X - 831.219320
1150 RXW - PFEVEL36020
SPACESAVER 930 - PFEL591070
600E - PFEL39420
X-BIKE DUO - 219261
C755 - PFBE14530
480 LE - PFEL049081
890E - PFEVEX39680
ENDURANCE 520 E - PFEL559160
ACTIVATOR - 831.147870
WHIRLWIND - PFEX25122
- PFEVBE09240
440 ES - PFEX159171
PROFORM CARBON CX BIKE - PFEX639195
595 LT - PFTL578090
SMART STRIDER - PFEL180140
700 CARDIO CROSSTRAINER - 831.285283
696 - PFEVEL746070
VR900 EKG - PFEX01010
SPACESAVER DX - PFEL779082
CROSSWALK SPORT - 831.303240
CROSSWALK 590 LT - PFTL999091
550R - PFRW38140
710 E - PFEL080110
485 CROSSWALK (CWL) - PATL497080
210 CSX - PFEX724113
700 CARDIO CROSSTRAINER - PFCCEL39014
XP440 R - 831.219522
1150 RXW - PFEVEL36021
18.0 RE - PFEL599112
900 CARDIO CROSSTRAINER - PFEL45010
FUSION 1.7X - PFBE15060
500 LE - PFEL049100
745 EKG - PFEVEX39830
ENDURANCE 520 E - PFEL559161
CARDIO GLIDE - 831.159940
GL50 - PFEX31420
G600 WEIGHT STORAGE - PFEVBE12540
PROFORM CARBON CX BIKE - PFEX63919-INT0
465S - PFEL19010
700 CARDIO CROSSTRAINER - 831.285284
LAT TOWER - PFSA20000
400 ZLE - PFEVEL749100
LE TOUR DE FRANCE - PFEX012150
SPACESAVER DX - PFEL779083
TRAINER 420 - 831.304640
CROSSWALK 590 LT - PFTL999092
CROSSWALK 590 LT - PFTL999093
710 E - PFEL080112
STYLE 4500 - PATL507070
380 CSX - PFEX729080
STRIDESELECT 825 - PFCCEL39060
XP440 R - 831.219523
700 CARDIO CROSSTRAINER - PFEVEL39010
18.0 RE - PFEL599113
900 CARDIO CROSSTRAINER - PFEL45011
FUSION 1.6X - PFBE15160
500 LE - PFEL049101
745 EKG - PFEVEX39831
ENDURANCE 520 E - PFEL559163
440R - 831.212560
VR980 EKG - PFEX33110
AB GLIDER - PFEVBE137100
PROFORM CARBON CX BIKE - PFEX63919-INT2
465S - PFEL19011
500 ZLT (CWL) - PETL599100
225 CSE - PFEL029150
400 ZLE - PFEVEL749101
LE TOUR DE FRANCE - PFEX014140
20.0 CROSSTRAINER - PFEL78060
415 CROSSWALK - 831.307540
415 CROSSWALK - 831.307541
ACTIVATOR - PFVB099880
710 E - PFEL080113
500 ZLT - PATL599100
380 CSX - PFEX729082
STRIDESELECT 825 - PFCCEL39062
XP440 R - 831.219524
700 CARDIO CROSSTRAINER - PFEVEL39012
ENDURANCE 920 E - PFEL599140
900 CARDIO CROSSTRAINER - PFEL45012
FUSION 2.1T - PFBE17160
SMART STRIDER - PFEL049110
745 EKG - PFEVEX39832
ENDURANCE 520 E - PFEL559164
965R - PFEX33790
AB GLIDER - PFEVBE137102
PROFORM CARBON CX BIKE - PFEX63919-INT3
C 630 - PFEL19540
WHIRLWIND PRO - 21933C0
500 ZLT (CWL) - PETL599101
Pro C22 Bike - PFEX922201
420 ZLE - PFEVEL749120
LE TOUR DE FRANCE - PFEX019140
20.0 CROSSTRAINER EL - PFEL78061
PERSPECTIVE 1000 - PFEL799070
CROSSWALK 480 - 831.308581
ACTIVATOR - PFVB119880
710 E - PFEL080114
485E - PCEL87076
480 CSX - PFEX739080
900 CARDIO CROSSTRAINER - PFCCEL45011
XP440 R - 831.219526
700 CARDIO CROSSTRAINER - PFEVEL39014
ENDURANCE 920 E - PFEL599141
900 CARDIO - PFEL45013
FUSION 2.0X - PFBE18160
SMART STRIDER - PFEL049111
CROSSTRAINER 970 - PFEVEX39910
ENDURANCE 720 E - PFEL579160
985R - PFEX34390
AB GLIDER - PFEVBE148100
PROFORM CARBON CX BIKE - PFEX63919C0
L.E.X. - PFEL25070
650 CARDIO CROSSTRAINER - 831.285370
Pro C22 Bike - PFEX922202
420 ZLE - PFEVEL749121
TRAINER 7.0 - PFEL017170
LE TOUR DE FRANCE - PFEX019150
290 CSR - PFEX023090
PERSPECTIVE 1000 - PFEL799071
7.0 PERSONAL FIT-TRAINER - 831.308640
ACTIVATOR - PFVB149880
710 E - PFEL080116
CROSSOVER ELLIPTICAL - 831.159950
480 CSX - PFEX739081
900 CARDIOCROSS TRAINER - PFCCEL45012
XP440 R - 831.219527
XP200 WEIGHT BENCH - 831.156190
16.0 MME - PFEL599150
STRIDESELECT 875 - PFEL49050
AB GLIDER - PFBE194100
CROSSWALK 300 - PFTL390070
600 LE - PFEL049120
CROSSTRAINER 970 - PFEVEX39911
ENDURANCE 720 E - PFEL579161
C55 - PFEX35430
- PFEVBE17750
PROFORM PRO C22 BIKE - PFEX922201
C700 CARDIO CROSS TRAINR - PFEL25950
650 CARDIO CROSSTRAINER - 831.285371
Pro C22 Bike - PFEX922203
480 SPACESAVER - PFEVEL750080
TRAINER 7.0 - PFEL017171
150I - PFEL029160
290 SPX - PFEX029090
STRIDESELECT 600 - PFEL859070
7.0 PERSONAL FIT-TRAINER - 831.308641
VIBRATION - PFVB59070
710 E - PFEL08011C0
CROSSOVER ELLIPTICAL - 831.159951
775S - PFEX77571
485 E - PFCCEL87078
XP440 R - 831.219528
XP 300 WEIGHT BENCH - 831.156290
16.0 MME - PFEL599151
835 S - PFEL50550
AB GLIDER - PFBE194101
300 LT - PFTL390140
600 LE - PFEL049121
CROSSTRAINER 970 - PFEVEX39912
ENDURANCE 720 E - PFEL579163
REBEL - PFEX37080
FUSION 3.0 XT - PFEVBE18360
PROFORM PRO C22 BIKE - PFEX922202
- PFEL26050
QUICK START 7.0 - PETL607080
Studio Bike Pro 22 - PFEX922204
515S - PFEL03010
COMPACT TRAINER - PFEVEL751080
150I - PFEL029161
290 SPX - PFEX029091
485E - PFEL87076
680 MRT - PMTL397080
480 E - PFTL495080
890 E - PFEL090090
7.0 PERSONAL FIT-TRAINER - PCTL578090
775S - PFEX77572
VR900 EKG - PFCCEX01010
XP440 R - 831.219529
565 EKG - PFEVEL39830
600 N - PFEL60260
850 - PFEL51050
AB GLIDER - PFBE194102
6.0 RT - PFTL391150
450 LE - PFEL049150
755 EKG - PFEVEX49150
ENDURANCE 720 E - PFEL579164
GR90 TRAINER CYCLE - PFEX38440
G680 - PFEVBE28360
PROFORM PRO C22 BIKE - PFEX922203
675 E - PFTL959080
545S - PFEL28010
PF 675 CARDIO CROSSTRAINER - 831.285420
Carbon CX - PFEX639190
795 - PFEVEL75108EL0
150I - PFEL029162
290 SPX - PFEX029092
HSE 700 - PFEL8707BX6
680 MRT - PMTL397081
480 E - PFTL495081
890 E - PFEL090092
XP 420 RAZOR - 831.237430
XP 185 U - PFCCEX012100
920S EKG - 831.280170
565 EKG - PFEVEL39831
785S - PFEL60440
850 - PFEL51051
CROSSWALK 415 - 831.247231
AB GLIDER - PFBE194103
6.0 RT - PFTL391151
450 LE - PFEL049151
764HR - PFEVEX61040
COACHLINK E9.0 - PFEL597180
GR90 TRAINER CYCLE - PFEX38441
- PFEX789180
G710 - PFEVBE33330
PROFORM STUDIO BIKE PRO 22 - PFEX922204
10.0 ZE - PFEL559092
CROSSWALK 590 LT - PFTL999090
650 CARDIO CROSSTRAINER - PFEL29220
XP 110 - 831.285430
Studio Bike Pro - PFEX167186
RAMP TRAINER 420 - PFEL038070
820 PR - PFEVEL79850
295 CSE - PFEL029170
ZR3 - PFEX034090
990 CSE - PFEL899090
635 S - WLEVEX13790
8.0 ZT - PFTL495090
STRIDE SELECT - PFEL098070
XP 420 RAZOR - 831.237431
CROSSTRAINER 970 - 831.280180
510 E - PFEVEL45300
786 S ELLIPTICAL - PFEL60441
850 - PFEL51052
CROSSWALK 415 - 831.247232
AB GLIDER - PFBE194104
6.0 RT - PFTL391153
762 EKG - PFEVEX61830
TRAINER 7.0 - PFEVEL107160
955R - PFEX38490
- PFEX789181
G720 - PFEVBE33430
PROFORM PRO C22 BIKE - PFEX92220-INT0
ENDURANCE 520 E - PFEL559140
650 CARDIO CROSSTRAINER - PFEL29221
XP 110 - 831.285431
Studio Bike Pro - PFEX167187
225C - PFST51080
HYBRID TRAINER - PFEL038120
PF X-BIKE - 21926C0
725 PR - PFEVEL79940
RECOIL - PFSY29250
HYBRID TRAINER - PFEL038121
REFLEX STEP - PFEVEL934070
295 CSE - PFEL029171
ZR3 - PFEX034091
990 CSE - PFEL899091
WHIRLWIND PRO - 831.219330
19.0 RE - PFEL098120
XP 520 RAZOR - 831.237440
CROSSTRAINER 970 - 831.280181
585 EKG - PFEVEL48830
SPACE SAVER 890 - PFEL60660
850 - PFEL51053
CROSSWALK 415 - 831.247233
AB GLIDER - PFBE196100
410 TRAINER - PFTL395070
490 LE - PFEL050090
762 EKG - PFEVEX61831
ENDURANCE 920 E - PFEVEL127160
970R - PFEX38491
- PFEX78918P0
G800 - PFEVBE38050
PROFORM PRO C22 BIKE - PFEX92220-INT1
ENDURANCE 520 E - PFEL559141
650 CARDIO CROSS TRAINER - PFEL29222
600 ZLT - PETL699100
Studio Bike Pro - PFEX167231
FUSION 4.0 LX WEIGHT - PFSY34150
HYBRID TRAINER - PFEL038122
SPACE SAVER 695 - PFEVEL950070
295 CSE - PFEL029173
490 SPX - PFEX039101
990 CSE - PFEL899092
400 CROSSWALK SPORT - 831.248400
19.0 RE - PFEL098121
XP 520 RAZOR - 831.237441
515 CSX - PFEX838140
CROSSTRAINER 970 - 831.280182
585 EKG - PFEVEL48831
SPACE SAVER 500 - PFEL649070
850 - PFEL51056
CROSSWALK 415 - 831.247234
AB GLIDER - PFBE196101
410 TRAINER - PFTL395071
490 LE - PFEL050091
425 ZLX - PFEVEX740120
325 CSE - PFEVEL396160
HN1050 - PFEX3849BX1
- PFEX78918P1
C600 - PFEVBE39240
PROFORM 440 ES BIKE - PFEX159172
ENDURANCE 520 E - PFEL559142
675 CARDIO CROSS TRAINER - PFEL29240
XP 130 - 831.285440
Carbon EL - PFEL559240
Reebok
CYC10 - RBEX29011
REL8 - RBEL12900
BY REEBOK - NFLB09530
RT 300 - RBEX29760
R 5.10 - RBEL159110
95 AXB - RBBE07871
RT 300 - RBEX29761
STRIDE SELECT RL 7.0 - RBEL169110
95 AXB - RBBE07872
RT 300 - RBEX29762
RL 1500 - RBEL42550
95 AXB - RBBE07873
RT300 - RBEX29763
RL 1500 - RBEL42551
95 AXB - RBBE07874
RT300 - RBEX29764
RL545 - RBEL59040
RS 100 - RBBE09550
CYC 4 - RBEX31080
RL545 - RBEL59041
125 AXB - RBBE10870
CYC 4 - RBEX31090
SPACESAVER RL - RBEL607080
125 AXB - RBBE10871
CYC6 - RBEX33180
SPACESAVER RL - RBEL607081
RL 10.0 - RBEL668070
125 AXB - RBBE10872
CYC 6 - RBEX33190
RL 10.0 - RBEL668071
RST200 - RBBE11701
CYC12 - RBEX39010
STRIDE SELECT RL 6.0 - RBEL760100
RST250 - RBBE14211
CYC12 - RBEX39011
STRIDE SELECT RL 6.0 - RBEL760101
TONE - RBBE14660
RT445 - RBEX49020
STRIDE SELECT RL 6.0 - RBEL760102
PILATES ULTIMATE PERFORMER - RBBE19520
RT445 - RBEX49021
T7.90 - RBEL779090
INVERSION SYSTEM - RBBE19965
RT 245 - RBEX49840
RL525 - RBEL79020
INVERSION SYSTEM - RBBE19966
RB450 - RBEX59020
RL 645 ELLIPTICAL - RBEL79740
INVERSION SYSTEM - RBBE19967
RB450 - RBEX59021
RL 725 - RBEL99020
INVERSION SYSTEM - RBBE20570
RB 345 - RBEX69740
1000 ZX - RBEL99060
RL 1500 - RBCCEL42550
365TR - RBEX715070
1000 ZX - RBEL99061
RL545 - RBCCEL59060
8000 ES - RBTL699080
1000 ZX - RBEL99062
T7.90 - RBCCEL779100
8000 ES - RBTL699081
1000 ZX - RBEL99063
RL525 - RBCCEL79020
8000 ES - RBTL699082
1000 ZX - RBEL99064
RL525 - RBCCEL79021
8000 ES - RBTL699083
1000 ZX - RBEL99065
RL525 - RBCCEL79022
8000 ES - RCTL699090
CYC 3I - RBEVEX34280
TRAINER RX 4.0 - RBCCEX149100
REL2I ELLIPTICAL - WEEL45070
CYC 2I - RBEVEX35980
T9.85ES - RBCW909080
CYC1I - RBEVEX36280
1210 - RBEL012130
610 - RBEX060130
1210 - RBEL012133
SPIN TRAINER RX 3.0(CWL) - RBEX140100
1410 - RBEL014130
TRAINER RX 3.0 - RBEX140101
710 - RBEL079130
TRAINER RX 4.0 - RBEX149100
910 - RBEL099130
CYC10 - RBEX29010
910 - RBEL099132
Tony Little
TONY - HRCR024110
Weider
PRO 208 - WEEIBE20580
PRO 545 - 831.150470
110 - WEBE03820
8700 I - WEEVSY308102
PRO 400L - 831.159450
PLATINUM XP600 - 831.153990
PRO 350 L - WEBE159100
C700 - WEBE44960
LEGEND BY - WESY59930
PRO 335 - WEEVBE33010
2980 X - WESY193180
CLUB C 240 - WEBE10670
1150 - WESY24530
145 - WEEIBE72800
ECS - WEBE05590
PRO 4500 - WEEVSY34260
PRO 400L - 831.159451
PLATINUM XP600 - 831.153991
ULTIMATE BODY WORKS - WEBE159110
500 - WEBE49150
LEGEND BY - WESY59931
PRO 435 - WEEVBE33011
2980 X - WESY1938C0
PRO 256 - WEBE11370
PRO 3750 - WESY26331
184 - WEEMBE05250
130 - WEBE05920
PRO 4500 - WEEVSY34261
PRO 450L - 831.159480
PLATINUM XP600 - 831.153992
220 - WEBE16060
PRO 255 L - WEBE493100
LEGEND BY - WESY59933
PRO 435 - WEEVBE33030
PRO 256 - WEBE11371
3130 - WESY29161
PRO 208 - WEEMBE20580
130 - WEBE05921
PRO 9400 - WEEVSY39530
PRO 450L - 831.159481
PLATINUM XP600 - 15399C1
PRO 495 - WEBE17100
PRO 545 - WEBE54570
PLATINUM 600 - WESY68630
PRO 440 - WEEVBE33110
PRO 256 - WEBE11372
PRO 3200 - WESY29521
MAGNESS COMPACT XL - WETL408080
138 - WEEMBE32610
135 - WEBE05930
PRO 8000 - WEEVSY39650
PRO 8500 SMITH CAGE() - 831.159620
PRO 4250 - 831.154020
350 - WEBE19150
PRO 545 - WEBE54571
PLATINUM 600 - WESY68631
214 - WEEVBE35220
PRO 256 - WEBE11373
BY WEIDER - WESY29660
PRO 3770 - WESY37530
214 - WEEMBE35220
PRO 545 - 831.150471
ROCK AND TONE - WEBE06010
PRO 7500 - WEEVSY39960
PRO 4250 - 831.154021
WEIDER 350 - WEBE19200
CLUB 290 W - WEBE59980
PLATINUM 600 - WESY68632
224 - WEEVBE36220
UTILITY - WEBE11920
VISION BY - WESY38730
224 - WEEMBE36220
525 - 831.150631
145 - WEBE06110
9150 - WEEVSY49220
PRO 4250 - 831.154022
XT55 PRO - WEBE19300
PRO 635 WEIGHT - WEBE63560
PLATINUM 600%2fXP600 - WESY68633
234 - WEEVBE37220
UTILITY - WEBE11921
VISION BY - WESY38731
234 - WEEMBE37220
PRO 875 - 831.150680
PRO 230 - WEBE06380
9900I - WEEVSY498100
PRO 265 OTS - 831.159630
PRO 4900 - 831.154030
XT55 PRO - WEBE19301
PRO PC3 - WEBE63990
PLATINUM XP600 - WESY68634
244 - WEEVBE38220
UTILITY - WEBE11922
VISION BY - WESY38732
244 - WEEMBE38220
PRO 800 - 831.150740
144 - WEBE06690
9250 - WEEVSY59220
WEIDER PRO 265 - 15963C0
PRO 4900 - 831.154031
PRO 355 - WEBE19320
PRO 450 - WEBE64410
PLATINUM 800 - WESY75740
130 TC - WEEVBE39090
CORE 600 - 831.157150
PRO 4300 - 831.146221
PRO UTILITY - WEBE11923
CLUB 4870 - WESY39060
9000 - WEEMBE39220
PRO 800 - 831.150741
144 - WEBE06691
PRO 9350 - WEEVSY59230
PRO 395 B - 831.159650
PRO 4900 WEIGHT SYSTEM - 831.154032
PRO 525 - WEBE19510
150 L UTILITY - WEBE77100
PRO OLYMPIC CAGE - 831.149330
PLATINUM 800 - WESY75741
TC 150 - WEEVBE59090
PRO 4950 WEIGHT SYSTEM - 831.146230
PRO 120 - WEBE12060
CLUB 4870 - WESY39061
9000 - WEEMBE39221
PRO 800 - 831.150742
140 - WEBE06920
LEGEND BY - WEEVSY59430
PRO 256 - 831.159991
PLATINUM - 831.154070
WEIDER 540 - WEBE19710
UTILITY - WEBE79120
PRO OLYMPIC CAGE - 831.149331
PLATINUM 800 - WESY75742
PRO 120 - WEEVBE70200
PRO 6900 - 831.149220
PRO 325 - WEBE12620
ATLAS BY - WESY39240
138 - WEEMBE71300
PRO 900 - 831.150760
175 - WEBE07790
PRO 7000 - WEEVSY68850
PRO 256 - 831.159992
PRO 9020 - 831.155010
CLUB INVERSION SYS - WEBE19960
C 875 - WEBE80770
PRO 202 - 831.150260
BY WEIDER - WESY77730
PRO 125 - WEEVBE70300
PRO 6900 - 831.149221
PRO 325 - WEBE12621
PRO 375 - WEBE29320
ATLAS BY - WESY39241
PRO 355 - WEEMBE73500
145 - 831.150850
160 - WEBE08920
BODY WORKS PRO - WEFMBE14010
PRO 256 - 831.159993
PRO 240 - 831.156071
CLUB INVERSION SYS - WEBE19961
PRO 136 - WEBE88890
PRO 220 - 831.150290
BY WEIDER - WESY77731
PRO 125 - WEEVBE70330
PRO 256 - 831.157910
PRO 6900 - 831.149222
PRO 325 - WEBE12622
MMA VKR POWER TOWER - WEBE295100
BY WEIDER - WESY39242
8950 - WEEMSY18220
PRO 208 - 831.150860
PRO XT10 - WEBE09010
BODY WORKS PRO 2.0 - WEFMBE14770
PRO 256 - 831.159994
2100 - 831.159010
CLUB INVERSION SYS - WEBE19962
FOLDING - WEBE89120
PRO 220 WEIGHT - 831.150291
PLATINUM - WESY78730
PRO 130 - WEEVBE70350
PRO 8900 - 831.149230
CLUB - WEBE12960
PRO 575 - WEBE29910
BY WEIDER ULTRA - WESY39244
215 - WEEVBE07260
PRO XT75 - 831.153220
XT15 PRO - WEBE09100
PRO 4250 - WEMSSY29150
8530 - 831.159270
CLUB 290 POWER TOWER - WEBE19980
SA 1-22 STANDARD - WEBE90120
PRO 220 WEIGHT BENCH - 831.150292
PLATINUM - WESY78731
PRO 205 - WEEVBE70400
PRO 8900 - 831.149231
CLUB - WEBE12964
CLUB - WEBE12965
PRO 575 - WEBE29911
PRO 3650 - WESY39523
325 - WEEVBE09260
PRO 575 - 831.153230
PRO 180 - WEBE09200
- WEST20020
9635 - 831.159280
CLUB 290 POWER TOWER - WEBE19981
PRO OLC - WEBE96491
PRO 235 - 831.150300
PLATINUM - WESY78732
170 TC - WEEVBE79090
PRO FUNCTIONAL TRNR - 831.149340
BY WEIDER - 831.153922
CLUB 190 W - WEBE12980
CLUB 390 POWER TOWER - WEBE29980
PRO 4850 - WESY39640
BODYWORKS PRO - WEEVBE14010
PRO XT20 - 831.153240
320 - WEBE09310
- WEST20021
PRO 2250 - 831.159301
PRO 208 - WEBE20580
220 W - WEBE99780
PRO 235 - 831.150301
PLATINUM - WESY78733
190 TC - WEEVBE89090
PRO 256 - 831.157911
PRO 256 - 831.157912
BY WEIDER - 831.153923
PRO 455 - WEBE13100
390 LT - WEBE30100
PRO 4850 - WESY39641
240 TC - WEEVBE14090
PRO 225 - 831.156000
190 WX - WEBE09380
- WEST20022
PRO 4100 - 831.159821
PRO 218 - WEBE20780
TECH 8.5 - WEBE99970
PRO 235 WEIGHT BENCH - 831.150302
PLATINUM - WESY78734
195 TC - WEEVBE99090
FLEX 8960 - WEEVSY09230
PRO 256 - 831.157913
PRO 455 - WEBE13101
190 RX - WEBE301120
PRO 4850 - WESY39642
TOTAL BODY WORKS 5000 - WEEVBE14440
PRO 240 - 831.156070
190 WX - WEBE09381
FLEX CTX 60 - WESY09320
PRO 4100 - 831.159822
CLUB POWER SWITCH 100 - WEBE24060
TECH 8.5 - WEBE99971
PLATINUM - WESY78744
8970 - WEEVSY10230
PRO 290 W - 831.158910
PRO 800 - WEBE13102
PRO 305 - WEBE30550
CLUB C4800 - WESY47330
PRO PT 800 - WEEVBE14950
PRO 260 - 831.156090
PRO 256 - WEBE09391
FLEX CTX 60 - WESY09321
PRO POWER STACK - 831.159833
CLUB SIDEKICK - WEBE24960
146 - WECCBE04500
PLATINUM - WESY79740
900 - WEEVSY13260
PRO 290 W - 831.158911
140 - WEBE13810
PRO 340 - WEBE34070
WEIDER 16.6ST - WESY49202
PRO PT 800 - WEEVBE14951
PRO 260 - 831.156091
PRO 256 - WEBE09392
950 - WESY13820
PRO 4950 - 831.305400
CLUB SIDEKICK - WEBE24961
TWO TONE - WECCBE09920
PRO 240 - 831.150310
PLATINUM PLUS 1000 - WESY99750
2990 I - WEEVSY19090
PRO 255 L - 831.159060
BODYWORKS PRO - WEBE14010
PRO 340 - WEBE34071
CLUB 8980 W - WESY49980
PRO 330 - WEEVBE19260
PRO 245 - 831.156790
PRO 256 - WEBE09393
15CT - WESY17012
TWO TONE - 831.290241
146 - WEBE26780
PRO 256 - WECCBE11370
9015 - WEEVSY19230
PRO 270 L - 831.159070
PRO 400 - WEBE14100
WEIDER - WEBE34100
BY - WESY57730
PRO 290 WC - WEEVBE20780
PRO 230 WEIGHT - 831.157060
PRO 256 - WEBE09394
2980 X - WESY19380
WEIDER PRO 256 - 831.298290
CLUB 500 - WEBE27320
PRO 240 - 831.150311
PRO 3000 - WEEVSY19750
PRO 350 LT - 831.159110
TOTAL BODY WORKS 5000 - WEBE14410
WEIDER 565 - WEBE34110
1500E BY - WESY58630
PRO 225 - WEEVBE22950
PRO 250 - 831.157070
190 T - WEBE09890
2980 X - WESY19381
WEIDER PRO 256 - 831.298291
CLUB 500 - WEBE27321
PRO 240 - 831.150312
9025 - WEEVSY20230
PRO 340 L - 831.159250
TOTAL BODY WORKS 5000 W%2fDVD - WEBE1441DVD0
PRO 355 - WEBE35560
BY - WESY59421
PRO 440 DC - WEEVBE247110
PRO 265 - 831.157110
190 T - WEBE09891
8525 - WESY19511
PRO 290 W - 831.306640
PRO 396 - WEBE27330
1200 - WECCSY19550
PRO 230 - 831.150340
PRO 2000 - WEEVSY20260
PRO 340 L - 831.159251
PRO 310 - WEBE14420
146 - WEBE36790
BY - WESY59531
340 LC - WEEVBE249100
190 T - WEBE09892
1120 - WESY19540
PRO 396 - WEBE27331
1150 - WECCSY24540
PRO 230 - 831.150341
WEIDER ADJUSTABLE CORNER - CWACR30
EASY COMPACT 90 - WEEVSY20770
PRO 340 L - 831.159252
PRO 4850 - 831.153932
PRO 310 - WEBE14421
CLUB C670 - WEBE37330
ADVANTAGE BY - WESY59830
PRO 550 - WEEVBE29260
PRO 145 - WEBE09900
1120 - WESY19541
X-FACTOR AND - WEBE29100
PRO 4900 - WECCSY39650
PRO 340 - 831.150381
ROCK AND - DRBE06010
PRO 4000 - WEEVSY28260
BY - 831.153951
PRO 315 - WEBE14940
CLUB C670 - WEBE37331
ADVANTAGE BY - WESY59831
220 - WEEVBE32710
TWO TONE - WEBE09911
1200 - WESY19550
WEIDER 550 - WEBE29300
CROSSBAR - WECCSY53931
PRO 635 - 831.150390
BLACK 150 XWB - WBBE149080
BLACK INVERSION SYS - WBBE21690
4990 I - WEEVSY29090
ADVANTAGE BY - 831.153960
PRO 315 - WEBE14941
CLUB C670 - WEBE37332
SA 10-4 - WEBE393170
ADVANTAGE BY - WESY59833
PRO 420 - WEEVBE32910
FLAT BENCH SA - WEBE10120
1200 - WESY19551
WEIDER 550 - WEBE29301
BY WEIDER - WECCSY57740
PRO 120 - 831.150460
1033 ULTRAMAX - WB10331
PRO 5000 - WEEVSY29850
ADVANTAGE BY - 831.153961
PRO 475 - WEBE15100
CLUB C650 - WEBE37340
PRO 255 L - WEBE49310C0
ADVANTAGE BY - WESY59835
PRO 420 - WEEVBE32930
CLUB - WEBE10570
8515 - WESY19720
BY - WECCSY59421
C 625 - WEANSY19770
8700 I - WEEVSY308100
PRO 390 L - 831.159281
BY WEIDER - 831.153971
PRO 425 - WEBE15210
CLUB C720 - WEBE37770
UTILITY - WEBE896170
BY WEIDER - WESY59840
PRO 445 - WEEVBE32950
CLUB - WEBE10571
PRO 2220 - WESY19740
BY WEIDER - WECCSY78740
PLATINUM - WECCSY78741
8980 I - WEANSY19780
8700 I - WEEVSY308101
PRO 390 L - 831.159282
BY WEIDER - 831.153972
170 - WEBE15420
CLUB C 725 - WEBE40670
BY WEIDER - WESY59841
245 - WEEVBE32960
CLUB WEIGHT - WEBE10660
PRECISION SYSTEM - WESY20370
Weslo
PURCUIT CT 4.2 - WLEX317120
CROSSWALK 5.0T - 831.248220
MOMENTUM 730 - WLEL19050
STEPFIT CLIMBER - WLEL31216C0
PURSUIT 655S - WLEVEX13590
CADENCE S5 - WETL139060
CADENCE 55 - WLTL193063
CADENCE 25 - 831.308630
MOMENTUM G 3.8 - WLEL618080
PURCUIT CT 4.2 - WLEX317122
MOMENTUM 730 - WLEL19051
PURSUIT S 85 - WLEVEX14260
CADENCE S5 - WETL139061
225 GTX - WLTL195070
MOMENTUM G 3.8 - WLEL618081
PRO 11.0X - WLEX318100
MOMENTUM 745 - WLEL20050
PURSUIT 525 CS - WLEVEX14910
LYNE 3500 - WETL147070
MOMENTUM G 3.8 - WLEL618082
PRO 10.8X - WLEX319080
MOMENTUM 220X - WLEL20060
- WLEVEX918070
CADENCE S6 - WETL149060
MOMENTUM 630 - WLEL718070
CROSSTRAINER - WLTL293100
PURSUIT 795I - WLEX32480
MOMENTUM 710 - WLEL20130
GYM 750 - WLEVSY18250
CADENCE 25 - WLTL198070
MOMENTUM 630 - WLEL718071
CARDIO PACER 2.0 - WLTL018060
CADENCE GTX - WLTL295080
PRO PURSUIT CT 5.9 - WLEX327090
MOMENTUM 710 - WLEL20131
GYM 650 - WLEVSY18260
CADENCE A 45 - WETL171050
CADENCE 25 - WLTL198072
MOMENTUM 735 - WLEL73970
MOMENTUM 735 - WLEL73971
- WLTL295100
PURSUIT G 3.1 - WLEX611100
MOMENTUM 950 - WLEL25040
PURSUIT 4.0 DX - WLEX11040
COMPACT SL - WETL307080
CADENCE 60 CT - WLTL223060
MOMENTUM R 4.2 - WLEL820120
CADENCE G-40 - WLTL296060
PURSUIT G 3.1 - WLEX611101
MOMENTUM 950 - WLEL25041
PURSUIT 6.0 - WLEX13040
COMPACT XL - WETL407080
CADENCE 60 CT - WLTL223061
MOMENTUM R 5.2 - WLEL830120
CADENCE A50 - WATL139060
CADENCE G-40 - WLTL296061
PURSUIT G 3.1 - WLEX611102
MOMENTUM 950 - WLEL25042
PURSUIT 510CS - WLEX13041
COMPACT XL - WETL407081
CADENCE CT 4.8 - WLTL243080
MOMENTUM R 5.2 - WLEL830121
CADENCE A60 - WATL149060
CADENCE G-40 - WLTL296063
PURSUIT G 3.1 - WLEX611103
MOMENTUM 750 - WLEL28020
PURSUIT 530 - WLEX13042
CADENCE 21.0 - WETL497100
CADENCE CT 5.8 - WLTL273080
BODY FLEX - WLEMBE14020
CADENCE A 40 - WATL161050
CADENCE G-40 - WLTL296064
PURSUIT G 3.1 - WLEX611150
MOMENTUM 750 - WLEL28021
PURSUIT 360R - WLEX14760
CADENCE 21.0 - WETL497101
CADENCE CT 5.8 - WLTL273081
ECLIPSE 2 - WLEMEL45000
CADENCE 21.0 - WATL497100
CADENCE G-40 - WLTL296066
WESLO CROSSWALK 5.2T TREADMILL - WLTL313124
PURSUIT G 3.8 - WLEX614080
MOMENTUM 7.0 EX - WLEL29040
STEPFIT CLIMBER - WLEVEL307170
PURSUIT 360 R - WLEX1476FM0
CADENCE 21.0 - WETL497102
CADENCE CT 5.8 - WLTL273082
CADENCE 80 - WLTL293060
450T - WLEMST41080
CADENCE 21.0 - WATL497101
CADENCE G-40 - WLTL296067
PURSUIT G 3.8 - WLEX614081
MOMENTUM 7.0 EX - WLEL29041
MOMENTUM CT 6.2 - 831.219040
PURSUIT 310 CS - WLEX14820
CADENCE 21.5 - WETL497130
MOMENTUM 405 - WLEVEL11760
CADENCE G-40 - WLTL296068
PURSUIT 795I - WLEX69570
MOMENTUM 4.8 - WLEL306080
MOMENTUM 750 - 831.283500
PURSUIT 310 CS - WLEX14821
CADENCE 21.5 - WETL497131
MOMENTUM 410 - WLEVEL11860
CADENCE G-40 - WLTL296069
PURSUIT 795I - WLEX69571
MOMENTUM CT 3.8 - WLEL318080
MOMENTUM 750 - 831.283501
PURSUIT 525CS - WLEX14910
AIRWALKER - WLAW35010
MOMENTUM 605 - WLEVEL19760
PURSUIT 5.0R - WLEX714070
MOMENTUM CT 3.8 - WLEL318081
PURSUIT 4.0 - WLEX17760
PURSUIT 612S - WLBPEX20980
MOMENTUM 750 - WLEVEL19830
CROSSWALK 5.0T (CWL) - WCTL293100
PURSUIT 5.0R - WLEX714071
MOMENTUM CT3.0 - WLEL319100
MOMENTUM CT 5.0 - 831.297630
PURSUIT 4.5R - WLEX17960
PURSUIT 795I - WLBPEX32480
MOMENTUM 615 - WLEVEL19860
CADENCE GTX - WCTL295090
PURSUIT R 3.2 - WLEX815120
MOMENTUM CT3.0 - WLEL319101
PURSUIT 510 CS - WLEX19820
MOMENTUM 710 - WLCCEL20130
SPORT 75 - WLEVEL19940
CADENCE GTX - WCTL295091
PURSUIT T 3.8 - WLEX917080
MOMENTUM CT5.8 - WLEL326080
PURSUIT 510 CS - WLEX19821
- WLCCEL329130
PURSUIT 3.2 R - WLCCEX611130
MOMENTUM 800 - WLEVEL24850
CADENCE G-40 - WCTL296070
CADENCE AF 5.1 - WLTL299110
PURSUIT R 4.8 - WLEX919080
MOMENTUM CT 5.9 - WLEL329090
PURSUIT G 3.1 *CANADA* - WLEX61115C0
PURSUIT E45 - WLEX19940
PURSUIT 795I - WLCCEX69571
WELSO GLIDER III - WLEVEL28010
CROSSWALK 5.2T - WCTL313130
CROSSWALK 5.2T - WLTL313120
PRO 13.8E - 831.308750
PURSUIT 330 - 831.215000
PURSUIT 610 S - WLEX20380
MOMENTUM 850 - WLEVEL28830
CADENCE J3.8 - WCTL343080
CROSSWALK 5.2T - WLTL313121
MOMENTUM CT 5.9 - WLEL329092
PRO 13.8E - 831.308751
PURSUIT 530 - 831.215200
PURSUIT 612S - WLEX20480
MOMENTUM L 4.8 - WLEL025080
BOOMERANG 850 - WLEVEL28840
CADENCE J3.8 - WCTL343081
CROSSWALK 5.2T - WLTL313122
MOMENTUM CT 5.0 - WLEL329100
PURSUIT 360R - 831.216110
PURSUIT 700S - WLEX21490
MOMENTUM 610 - WLEL14050
MOMENTUM 2000 - WLEVEL728080
CROSSWALK G 3.2 - WLTL349130
450T - WLST41080
- WLEL329120
PURSUIT CT 3.8 R - 831.218110
PURSUIT 795I - WLEX23180
MOMENTUM 610 - WLEL14051
MOMENTUM 4.0 - WLEVEL924100
PRO CROSSWALK 7.8 - WLTL373080
AEROBICSTRIDE 2.0 - WLTL019060
- WLEL329121
PURSUIT CT 3.8 R - 831.218111
PURSUIT 720S - WLEX29190
KATHY IRELAND - WLEX30380
MOMENTUM 610 - WLEL14052
PURSUIT R 20 - WLEVEX07160
PRO CROSSWALK 7.8 - WLTL373081
CADENCE F9.9 - WLTL045090
PRO 13.8E - WLEL334080
PRO 10.8X - 831.218320
KATHY IRELAND - WLEX30480
MOMENTUM 620 - WLEL14060
PURSUIT S 25 EXERCISE - WLEVEX07260
CADENCE M5 - WETL127060
PRO CROSSWALK 7.9 - WLTL373090
CARDIOWALK PLUS - WLTL18070
PRO 13.8E - WLEL334081
PURSUIT 310 CS - 831.283100
PURSUIT CT 3.8 R - WLEX315080
MOMENTUM 620 - WLEL14061
PURSUIT R 30 - WLEVEX09160
CADENCE 450V - WETL136060
CADENCE G 7.0 - WLTL398100
CARDIOWALK PLUS - WLTL18071
CADENCE 80 - 831.308000
PRO 13.8E - WLEL334082
MOMENTUM CT 5.9 - 831.303220
PURSUIT 510 CS - 831.283160
PURSUIT CT 3.8 R - WLEX315081
MOMENTUM 620 - WLEL14062
PURSUIT S 35 - WLEVEX09260
CADENCE 450V - WETL136061
CADENCE G 7.0 - WLTL398101
CADENCE G 30 - WLTL192050
ECLIPSE - WLEL36070
PURSUIT 510 CS - 831.283161
PURSUIT CT 2.0R (TMR) - WLEX315100
MOMENTUM 700 - WLEL19020
STEPFIT CLIMBER - WLEL312160
SPORT 25 - WLEVEX09940
CADENCE M6 - WETL137060
- WLTL399080
CADENCE G 30 - WLTL192052
KATHY IRELAND TOTAL BODY - WLEL42070
310 CS - 831.283101
PURSUIT CT 2.0R (TMR) - WLEX315101
CROSSWALK 5.2T - 831.219020
MOMENTUM 700 - WLEL19021
STEPFIT CLIMBER - WLEL312161
PURSUIT 620 S - WLEVEX11990
CADENCE C6 - WETL138060
MOMENTUM CT5.8 - WMEL326080
CADENCE 55 - WLTL193060
KATHY IRELAND TOTAL BODY - WLEL42071
PURSUIT CT 2.0R (TMR) - WLEX315103
CADENCE 80 - 831.246020
MOMENTUM 700 - WLEL19022
STEPFIT CLIMBER - WLEL312162
PURSUIT R 60 - WLEVEX12160
CADENCE C 6 - WETL138061
CADENCE 55 - WMTL194080
CADENCE 55 - WLTL193061
ECLIPSE II - WLEL45071