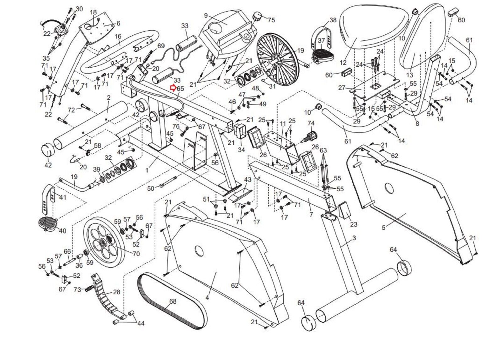
Proform Weslo VR900 EKG PURSUIT Stationary Bike Extension Cable Assembly 196091
Catalog Number: 1031374
"Have fitness repair parts to Sell?"
Use our wizard and list them for FREE on our exchange
OR
Sell them lot to us using this form
Secure Checkout With

IMPORTANT: Want to see a complete parts list and/or diagram of your fitness equipment?
If so, have your model/serial number from your frame ready and click here.
If so, have your model/serial number from your frame ready and click here.
Item Description
Condition Used
Used on the following models:
ProForm
VR900 EKG - PFCCEX01010
VR900 EKG - PFEX01010
Weslo
PURSUIT E45 - WLEX19940