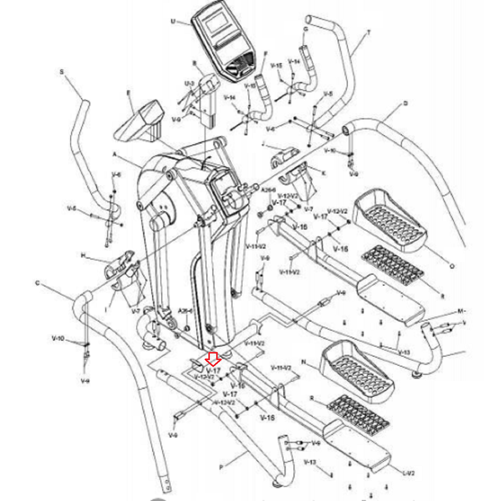
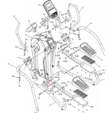
BH Fitness LK500X LK700X S3XiB S5XiB Elliptical Screw Truss M6-1.0mm LK500X-V-17
Catalog Number: 1026081
"Have fitness repair parts to Sell?"
Use our wizard and list them for FREE on our exchange
OR
Sell them lot to us using this form
Secure Checkout With

IMPORTANT: Want to see a complete parts list and/or diagram of your fitness equipment?
If so, have your model/serial number from your frame ready and click here.
If so, have your model/serial number from your frame ready and click here.
Item Description
Condition Used
Used on the following models:
BH Fitness
LK500X
LK500Xi
LK700X
S3Xi
S3XiB
S5Xi
S5XiB