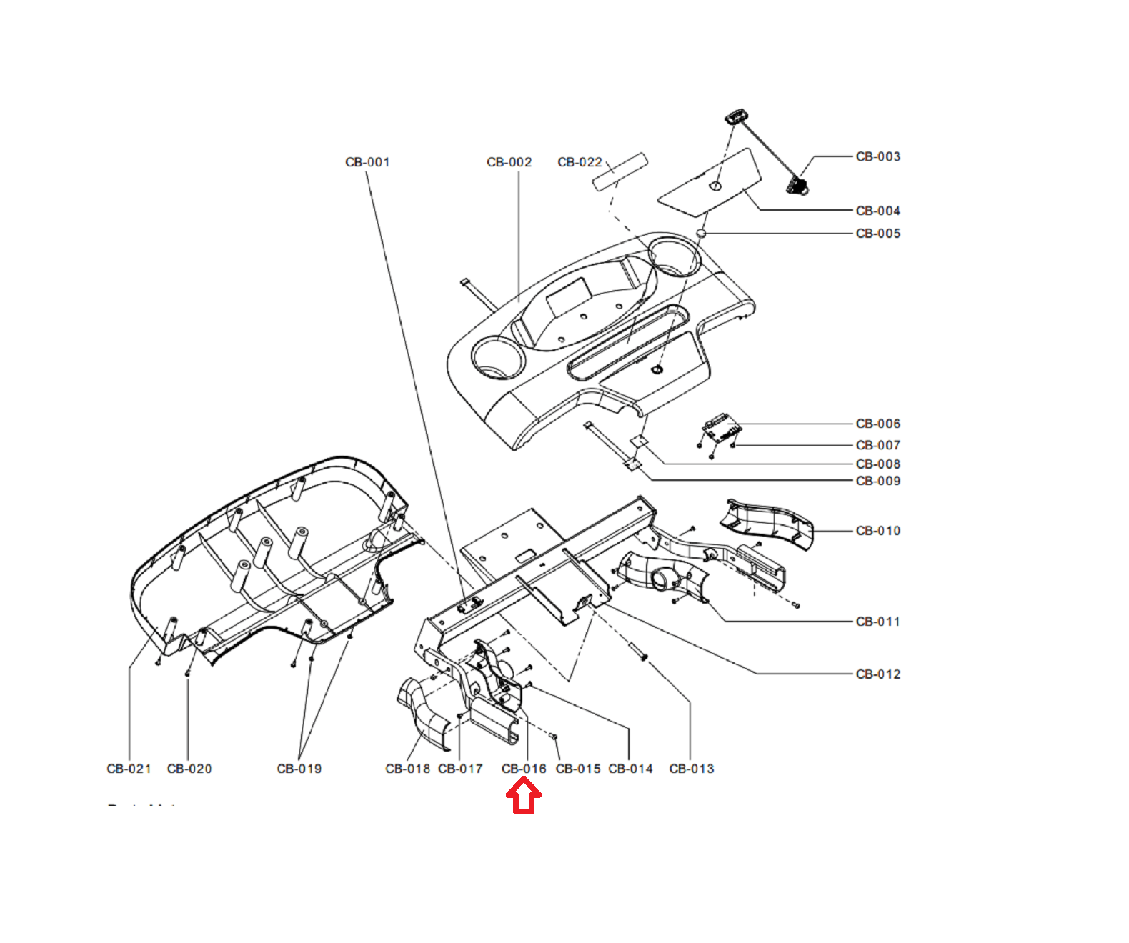
Life Fitness T3 F3 Treadmill Left Handlebar Right Cover 8136001 & 63461
Catalog Number: 509519
"Have fitness repair parts to Sell?"
Use our wizard and list them for FREE on our exchange
OR
Sell them lot to us using this form
Secure Checkout With

IMPORTANT: Want to see a complete parts list and/or diagram of your fitness equipment?
If so, have your model/serial number from your frame ready and click here.
If so, have your model/serial number from your frame ready and click here.
Item Description
Condition New
Used on the following models:
Life Fitness
F3 - F3-XX00-0101 - Folding Treadmill - Arctic Silver
F3 - F3-XX00-0103 - Folding Treadmill - Arctic Silver
F3 - F3-XX00-0202 - Folding Treadmill - Arctic Silver
F3 - F3-XX0X-0101 - Folding Treadmill - Arctic Silver
F3 - F3-XX0X-0102 - 2014 - Arctic Silver
T3 - T3-XX00-0102
T3 - T3-XX00-0103
T3 - T3-XX00-0202
T3 - T3-XX12-0103
T3 - T3-XX13-0103
T3 - T3-XXXX-0102