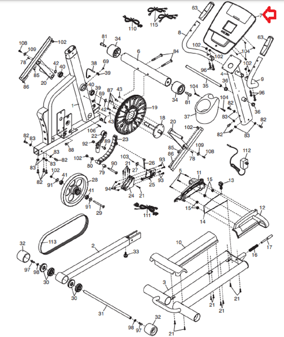
Proform NordicTrack E7 SV 405 CE Elliptical Display Console Assembly 298619
Catalog Number: 1030075
"Have fitness repair parts to Sell?"
Use our wizard and list them for FREE on our exchange
OR
Sell them lot to us using this form
Secure Checkout With

IMPORTANT: Want to see a complete parts list and/or diagram of your fitness equipment?
If so, have your model/serial number from your frame ready and click here.
If so, have your model/serial number from your frame ready and click here.
Item Description
Condition Used
Used on the following models:
NordicTrack
E7 SV FRONT DRIVE - NTEL078080
E7 SV FRONT DRIVE - NTEL078081
E7 SV FRONT DRIVE - NTEL078082
E7 SV FRONT DRIVE - NTEL078083
E7 SV FRONT DRIVE - NTEL078084
E7 SV FRONT DRIVE - NTEL078085
E7 SV FRONT DRIVE - 831.238770
E7 SV FRONT DRIVE - 831.238771
E7 SV FRONT DRIVE - 831.238772
E7 SV FRONT DRIVE - 831.238773
E7 SV FRONT DRIVE - 831.238774
E7 SV FRONT DRIVE - 831.238775
E7 SV FRONT DRIVE - 831.306690
E7 SV FRONT DRIVE - 831.306692
E7 SV FRONT DRIVE - 831.306693
E7 SV FRONT DRIVE - 831.306694
Proform
405 CE - PFEL649100
405 CE - PFEL649101