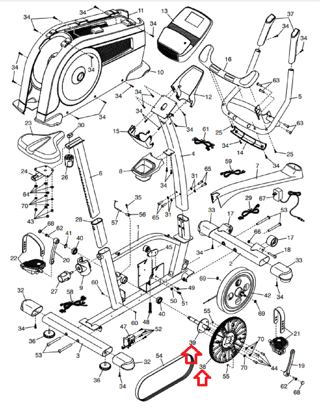
FreeMotion HealthRider Upright Bike Crank Axle Flywheel Pulley Assembly 259602
"Have fitness repair parts to Sell?"
Use our wizard and list them for FREE on our exchange
OR
Sell them lot to us using this form

If so, have your model/serial number from your frame ready and click here.
Item Description
Condition Used