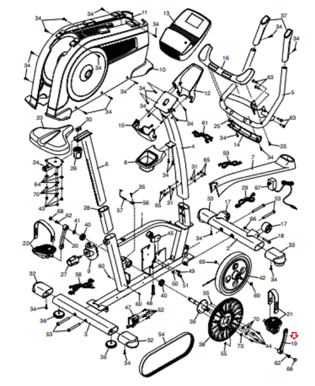
Freemotion Proform Health Rider Nordictrack Upright Bike Right Crank Arm 206634
"Have fitness repair parts to Sell?"
Use our wizard and list them for FREE on our exchange
OR
Sell them lot to us using this form

If so, have your model/serial number from your frame ready and click here.
Item Description
Condition Used
Used on the following models:
EPIC
A17U - EPEX139122
A17U - EPEX139123
A17U - EPEX139124
A17U - EPEX139125
A17R - EPEX149122
A17R - EPEX149123
FreeMotion
350 U - SFEVEX807130
350 U - SFEVEX807131
250U - SFEX040120
250U - SFEX040121
250U - SFEX040122
250U - SFEX040124
HEALTH RIDER
H30X - HREX53916C0
290 R S - HREX630140
NordicTrack®
GRAND TOUR - NTEX710152
GRAND TOUR PRO - NTEX714151
GRAND TOUR PRO - NTEX714152
VXR 475 - NTEVEX849160
GRAND TOUR - NTEVEX899160
GRAND TOUR PRO - NTEX704170
GRAND TOUR - NTEX71015C0
GRAND TOUR - NTEX710170
GX 4.7 - NTEX739150
GX 4.7 - NTEX739151
GX 4.7 R - NTEX840170
GX 4.7 - 831.219140
GX 4.7 - 831.219141
GX 4.7 - 831.219142
GX 4.7 - 831.219143
SL710 - 831.283291
SL710 - NTC07940
SL710 - NTC07941
COMMERCIAL U100 - NTEVEX789130
COMMERCIAL R105 - NTEVEX799130
GX 4.2 PRO - NTEX050120
GX 4.2 PRO - NTEX050121
GX 4.2 PRO - NTEX050123
GRAND TOUR - NTEX710151
ProForm
210 CSX - PFEVEX729160
325 CSX - PFEVEX749160
245 ZLX - PFEVEX729130
350 CSX - PFEVEX749140
350 CSX - PFEVEX749141
325 CSX - PFEX539150
325 CSX - PFEX539151
515 CSX - PFEX838140