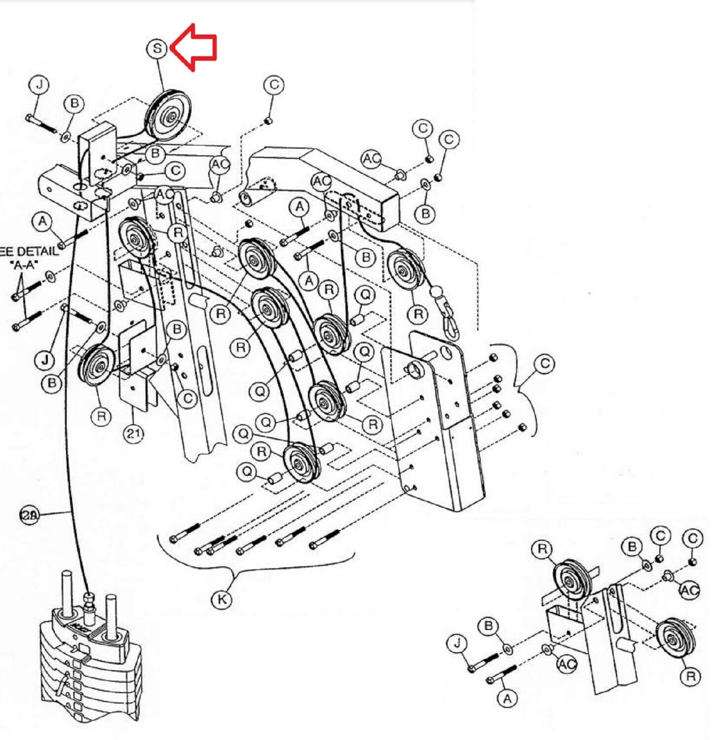
Hoist Fitness Strength System Pulley 4.5" 18-PUL-412
Catalog Number: hoist-4.5inp
"Have fitness repair parts to Sell?"
Use our wizard and list them for FREE on our exchange
OR
Sell them lot to us using this form
Secure Checkout With

IMPORTANT: Want to see a complete parts list and/or diagram of your fitness equipment?
If so, have your model/serial number from your frame ready and click here.
If so, have your model/serial number from your frame ready and click here.
Item Description
Condition New
Used on the following models:
Hoist Fitness
2001 Base Unit
Bicep Curl / Tricep Extension - D100
CL-2302
H100 Fitness System - H100
H100A Fitness System
H1200
H200t
H210 1 Stack Gym 1999
H210A
H300
H400
Leg Press - H4600LP
Multi Function Gym - H310A - 2002