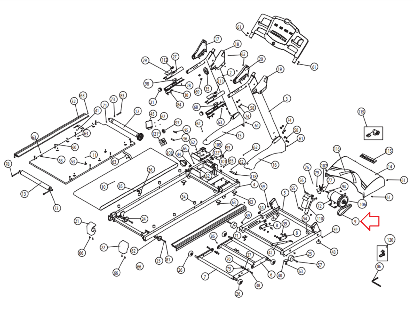
Used Keys HealthTrainer Ironman Treadmill Motor Drive Belt 20" 8 Ribs 508J 404-00002
Catalog Number: 1033865
"Have fitness repair parts to Sell?"
Use our wizard and list them for FREE on our exchange
OR
Sell them lot to us using this form
Secure Checkout With

IMPORTANT: Want to see a complete parts list and/or diagram of your fitness equipment?
If so, have your model/serial number from your frame ready and click here.
If so, have your model/serial number from your frame ready and click here.
Item Description
Condition Used
Used on the following models:
HealthTrainer
Classic
HT-CLASSIC - 415-00054 - Rev. A
HT502t.1
HT65t Rev 0
HT65T.1
HT65T.1-CE 220V
HT75T Rev A 110VAC
HT75T Rev A 220VAC
HT75T Rev B
HT85t
HT95CE (220VAC) Rev A
HT95t (110VAC) Rev A
Ironman
110t
EDGE
Envy
Quest
T7 Acclaim
T9
Keys Fitness
4500t
4600T
5500t
5500t 220VAC
5600T
T2.0
T4.0
T6.0