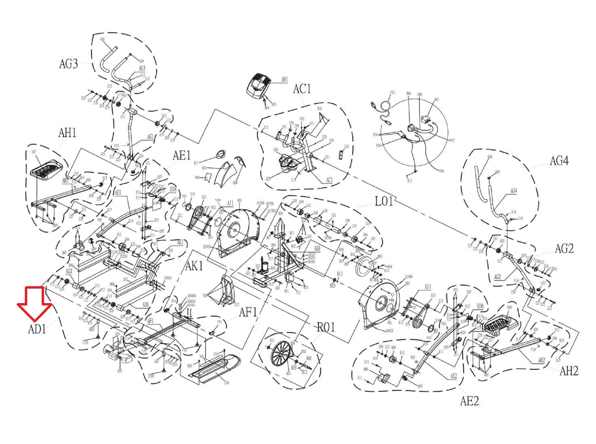
Horizon Fitness EX78 - EP516 EX79 - EP546B Elliptical Guide Rail Set Semi Assembly 1000101685
Catalog Number: 708267
"Have fitness repair parts to Sell?"
Use our wizard and list them for FREE on our exchange
OR
Sell them lot to us using this form
Secure Checkout With

IMPORTANT: Want to see a complete parts list and/or diagram of your fitness equipment?
If so, have your model/serial number from your frame ready and click here.
If so, have your model/serial number from your frame ready and click here.
Item Description
Item Condition: New
Item Part #: 1000101685
Used on the following models:
Updated List 2025
Horizon Fitness
EX78 - EP516 - 2010
EX79 - EP546B - 2011