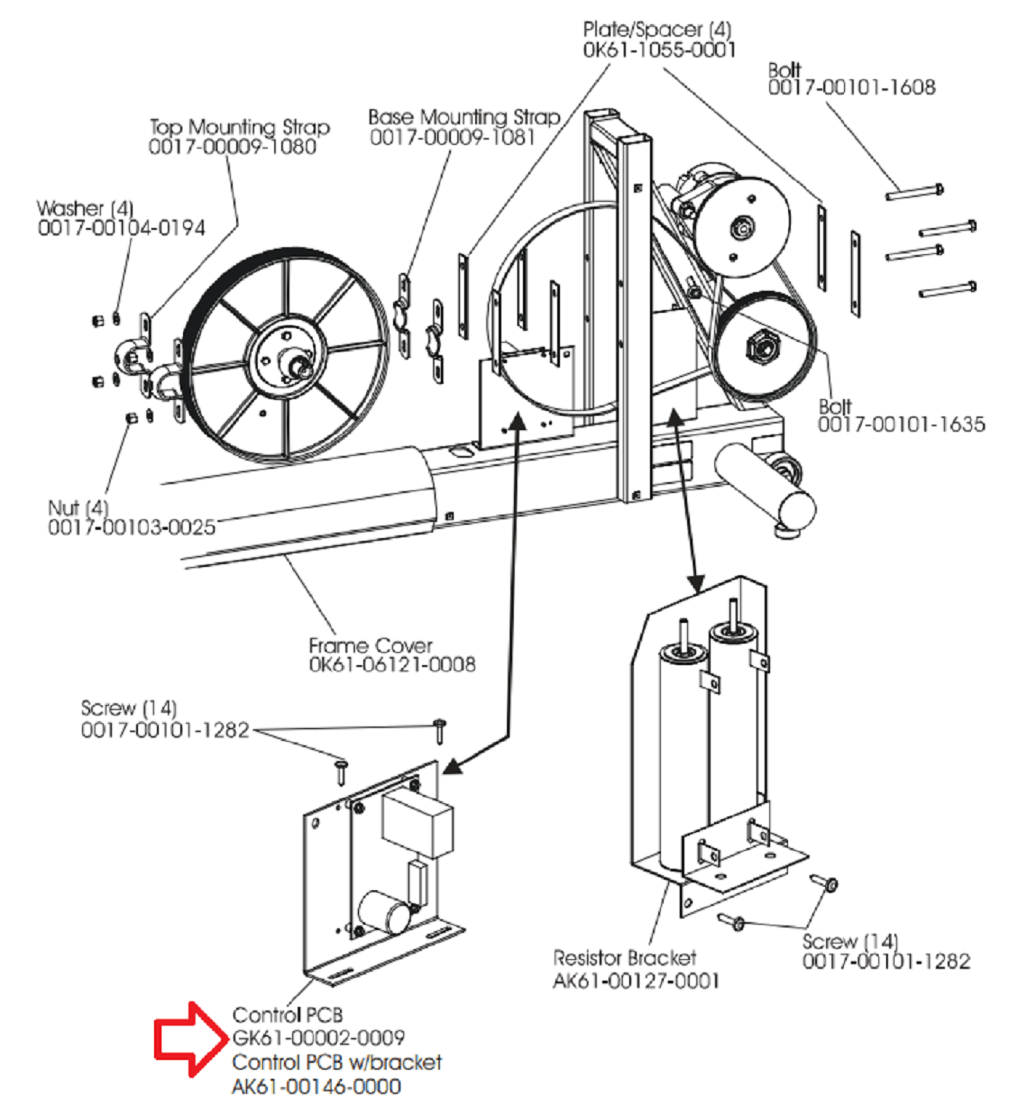
New Life Fitness Elliptical Lower Motor Control Board Controller GK61-00002-0009
Catalog Number: 515978
"Have fitness repair parts to Sell?"
Use our wizard and list them for FREE on our exchange
OR
Sell them lot to us using this form
Secure Checkout With

IMPORTANT: Want to see a complete parts list and/or diagram of your fitness equipment?
If so, have your model/serial number from your frame ready and click here.
If so, have your model/serial number from your frame ready and click here.
Item Description
Condition New
MFR-A080-92200-B000
Used on the following models:
Life Fitness
CT5500 w/Polar HR - CT55-0XXX-01 (S/N 104948-Below)
CT5500 w/Polar HR - CT55-0XXX-01 (S/N 104949-Up)
X9i - X9-0XXX-04 - Arctic Silver (AXQ)
X9i Cross-Trainer w-Polar HR - X9-0XXX-01 (CXC)
X9i w-Polar HR - X9-0XXX-02 (CXE)