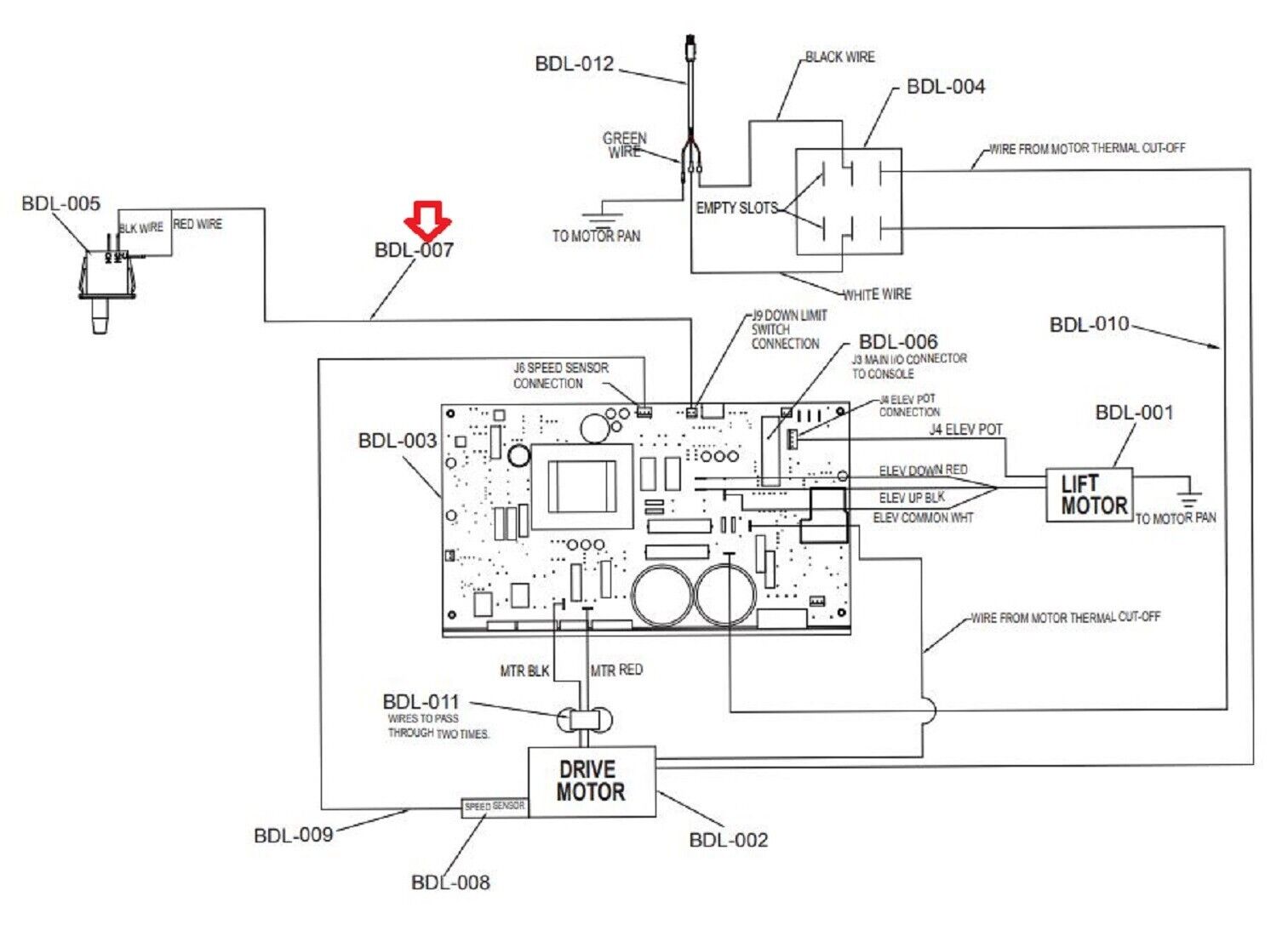
Used Life Fitness T5 Treadmill Down Limit to MCB Cable Assembly AK59-00140-0000
Catalog Number: 1030414
"Have fitness repair parts to Sell?"
Use our wizard and list them for FREE on our exchange
OR
Sell them lot to us using this form
Secure Checkout With

IMPORTANT: Want to see a complete parts list and/or diagram of your fitness equipment?
If so, have your model/serial number from your frame ready and click here.
If so, have your model/serial number from your frame ready and click here.
Item Description
Condition Used
Used on the following models:
Life Fitness
T5 T5-XX00-0103