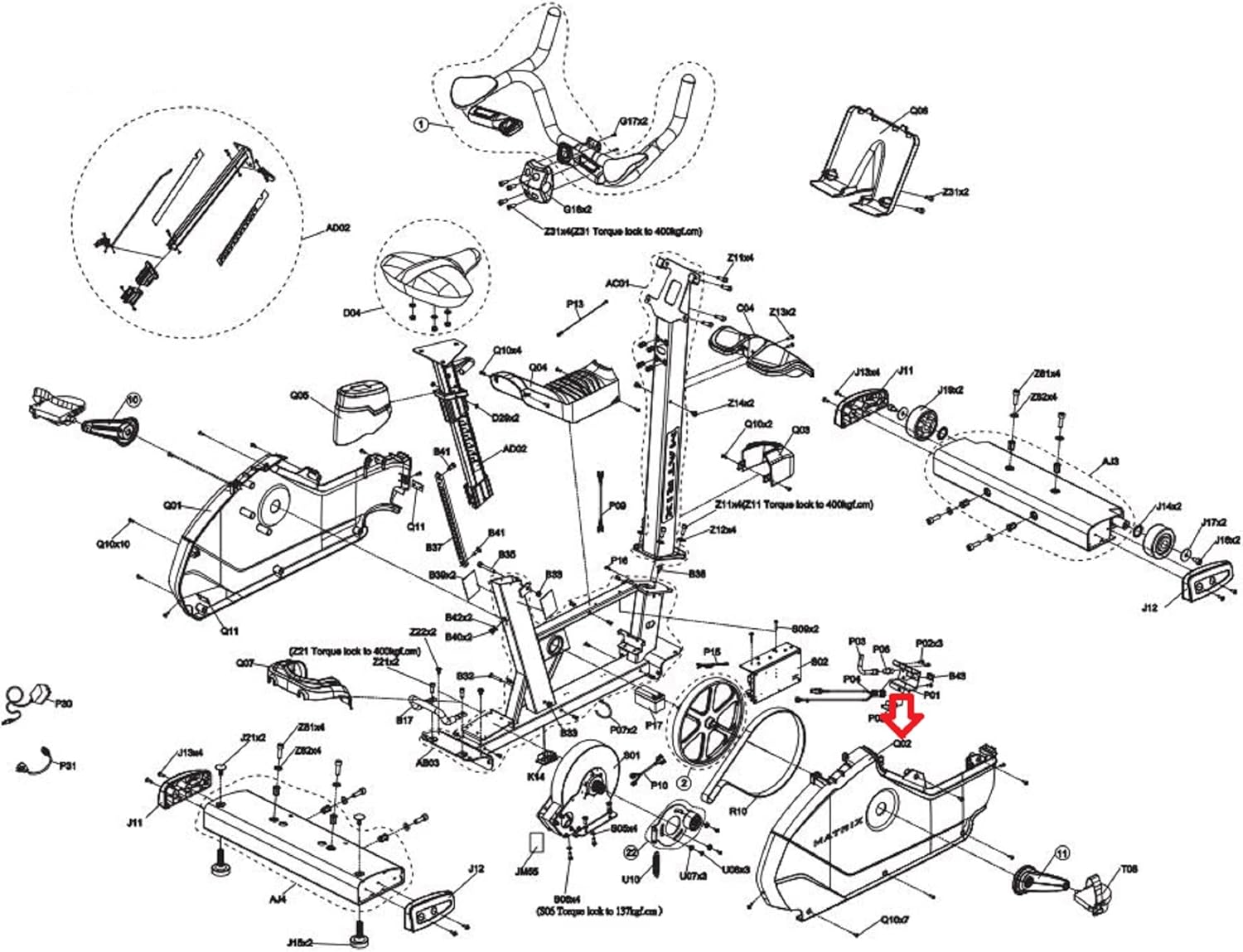
Matrix Fitness EP592 EP599 CB206 Upright Bike Right Side Cover 1000361141
Catalog Number: 719416
"Have fitness repair parts to Sell?"
Use our wizard and list them for FREE on our exchange
OR
Sell them lot to us using this form
Secure Checkout With

IMPORTANT: Want to see a complete parts list and/or diagram of your fitness equipment?
If so, have your model/serial number from your frame ready and click here.
If so, have your model/serial number from your frame ready and click here.
Item Description
Item Part #: 1000361141
Item Condition: New
Used on the following models:
Updated List 2025
Matrix Fitness
U1x - 02 | CB171 | EP592 | 2016-2020
U1xe | CB171 | EP599 | 2017-2020
Endurance Series Upright Cycle (U-ES-F or U-ES-F-02) | CB206 | CB206F | 2020
Endurance Series Upright Cycle with Premium LED + (gymkit & RFID) | CB206C, CB206E, CB206N, CB206P | TM750C, TM750F