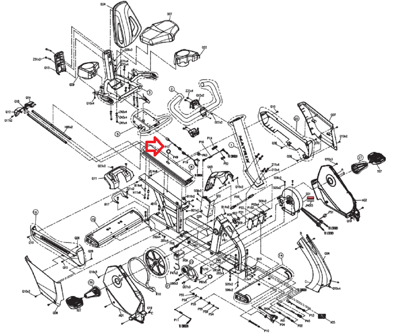
Matrix Fitness Recumbent Bike Rail Connected Wire Harness 1000324358
"Have fitness repair parts to Sell?"
Use our wizard and list them for FREE on our exchange
OR
Sell them lot to us using this form

If so, have your model/serial number from your frame ready and click here.
Item Description
Condition New
Used on the following models:
Matrix Fitness
R3x-05 - EP622,RB307,RB307H,RB307B - 2016
R3xe - CEP625,FRB307,RB307H,RB307B - 2016
R5x - RB307,EP624B,EP624D,RB307H,RB307B_1,RB307B_2,RB307B_3 - 2016
R7xe-05 - RB307,EP620,EP620C,RB307H,EP620E,RB307B_1,RB307B_2,RB307B_3,RB307B_4,RB307B_5 - 2016
R7xi - EP614D,RB307,EP614C,EP614F,RB307H,RB307B_1,RB307B_2,RB307B_3 - 2015
R7xi-03 - RB307,EP621,RB307H,RB307B_1,RB307B_2,RB307B_3,RB307B_4 - 2016
Updated List 2025
R7xi | RB307 | EP614 | 2013
R5x-05 | RB307-US-F | EP612 | 2014
R3x | RB307 | EP603 | 2014
R7xe-05 | RB307 | EP613 | 2014
R3x-05 | RB307 | EP622 | 2016
R3xe | RB307 | EP625 | 2016
R5x | RB307 | EP624B, EP624D | 2016
R7xe-05 | RB307 | EP620, EP620C, EP620H | 2016-2019
R7xi | RB307 | EP614D | EP614F | 2015
R7xi-03 | RB307 | EP621, EP621C | 2016-2019
R5x-05 | RB307B | EP612B | 2014
R5x | RB307M, RB307N | EP624E | 2018