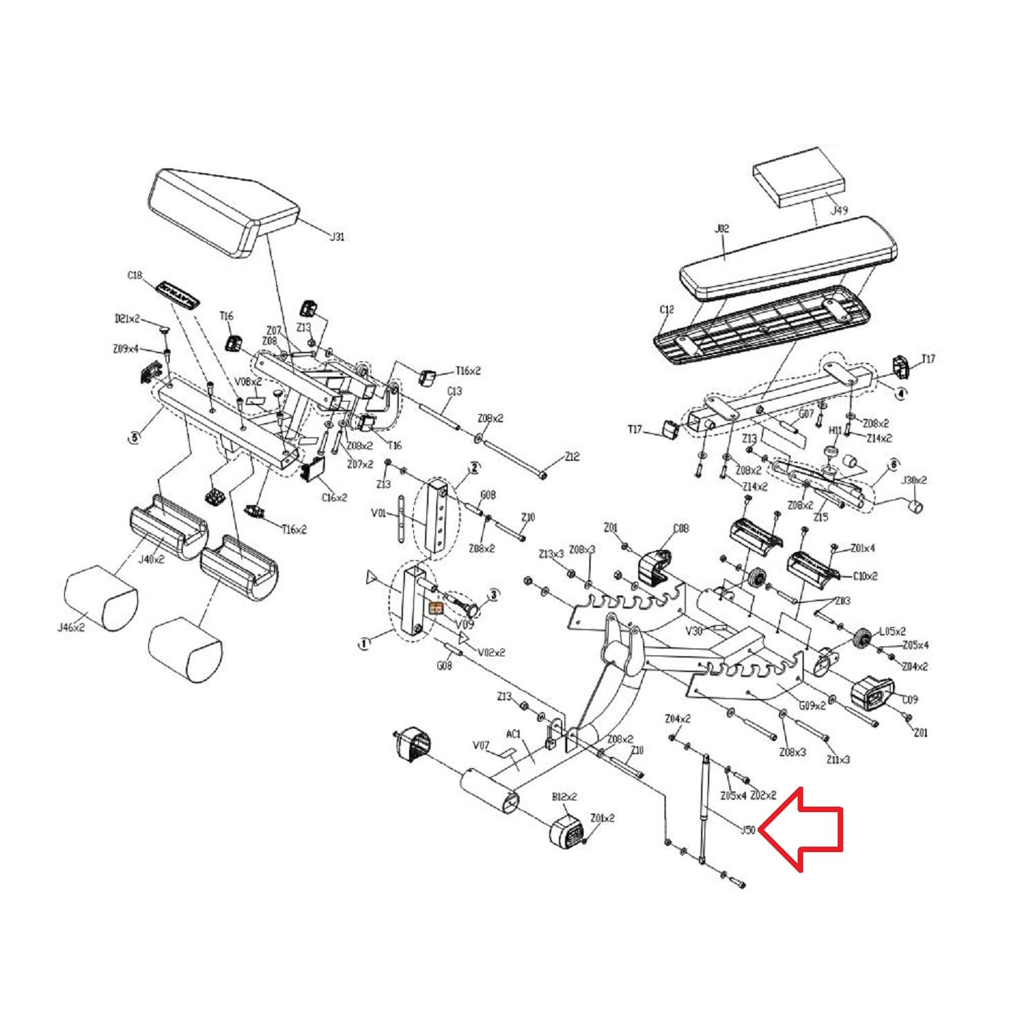
Matrix Fitness FW211 FW342 FW342K FW512 Strength System Folding Storage Safety Latch Air Shock 1000306990
Catalog Number: 713719
"Have fitness repair parts to Sell?"
Use our wizard and list them for FREE on our exchange
OR
Sell them lot to us using this form
Secure Checkout With

IMPORTANT: Want to see a complete parts list and/or diagram of your fitness equipment?
If so, have your model/serial number from your frame ready and click here.
If so, have your model/serial number from your frame ready and click here.
Item Description
Item Condition: New
Item Part #: 1000306990
Used on the following models:
Updated List 2025
Matrix Fitness
MG-A86-03 | Multi-adjustable Bench w/Decline | FW211 | 2014
MG-A86-05 | Multi-adjustable Bench w/Decline | FW342, FW342K, FW512 | 2020