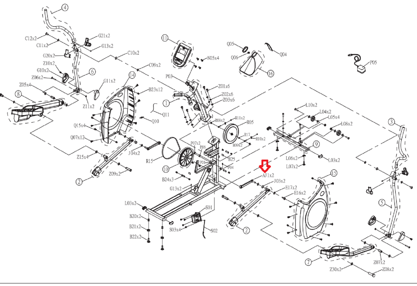
Horizon Fitness Elliptical Welding Crank Arm Set 026806-B
Catalog Number: 704966
"Have fitness repair parts to Sell?"
Use our wizard and list them for FREE on our exchange
OR
Sell them lot to us using this form
Secure Checkout With

IMPORTANT: Want to see a complete parts list and/or diagram of your fitness equipment?
If so, have your model/serial number from your frame ready and click here.
If so, have your model/serial number from your frame ready and click here.
Item Description
Item Condition: New
Item Part #: 026806-B
Used on the following models:
Horizon Fitness
CSE4.6 - EP134B - 2007
E401 - EP503 - 2009
EG5 - EP109C - 2006
EX22 - EP109 - 2006
EX33 - EP110 - 2006
EX44 - EP111 - 2006
EX55 - EP132 - 2007
EX56 - EP179 - 2008
EX57 - EP505 - 2009
EX65 - EP133 - 2007
EX75 - EP134 - 2007
LS625E - EP132C - 2007
LS635E - EP181 - 2008
LS645E - EP505C - 2009
RE7.6 - EP164 - 2007
30701 - EP133D - 2007
CE4.1 - EP533 - 2010
CE4.3 - EP571 - 2012
CSE3.5 - EP110B - 2006
CSE3.6 - EP133B - 2007
CSE4.5 - EP111B - 2006